找回密码
 立即注册
查看: 119|回复: 4

stc32g144g246 单片机的rtc电子保存用于那个vcc上面?

[复制链接]
  • 打卡等级:初来乍到
  • 打卡总天数:4
  • 最近打卡:2025-10-09 09:13:51
已绑定手机

5

主题

4

回帖

51

积分

注册会员

积分
51
发表于 2025-10-9 09:13:51 | 显示全部楼层 |阅读模式
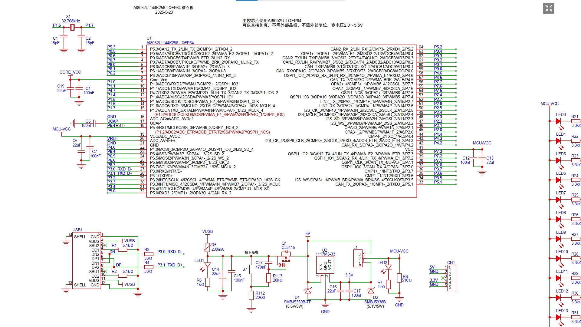
stc32g144g246 单片机的rtc电子保存用于那个vcc上面?



看了官方的开源实验箱,的电子是一个总的mcu_vcc  ,挂在所有的器件上面, 好像没什么用,一下给别的设备弄没电了, 这个可能是实验箱的败笔


想了解一下,有三个供电的,到底那个才是有意义的rtc保存电源??



rtc.png
回复

使用道具 举报 送花

3

主题

1868

回帖

584

积分

等待验证会员

积分
584
发表于 2025-10-9 09:18:00 | 显示全部楼层
关于 STC32G144G246 单片机 RTC 保存电源(VCC)的供电问题,结合您提供的图片和描述,我们可以从硬件设计与功能实现的角度进行分析。

一、STC32G144G246 的 RTC 供电机制

STC32G144G246 是宏晶科技推出的一款 32 位增强型 8051 内核单片机,其内置 RTC(实时时钟)模块具备独立供电引脚——通常为 VBUS 或 RTCVCC。该引脚用于在系统主电源断电时,仍能维持 RTC 模块的运行,通常通过一个纽扣电池或超级电容进行供电。

根据 STC 官方数据手册,RTC 的供电引脚一般为:
RTCVCC:RTC 专用电源引脚,用于连接电池或备用电源;
VDD:主电源供电引脚,用于系统正常运行。

在某些封装中,可能 RTCVCC 引脚被复用为其他功能,或与 VBUS 共用,具体需查阅芯片的封装手册。

二、关于实验箱中“MCUVCC”的供电方式分析

从您的描述来看,实验箱中所有器件共用一个“MCUVCC”作为电源供给,这确实存在一定的设计缺陷。原因如下:

1. 无法实现掉电保持:若 RTC 模块也连接在“MCUVCC”上,那么一旦主电源断电,RTC 也将失去供电,导致时间信息丢失;
2. 抗干扰能力差:多个设备共用同一电源线,容易造成电压波动,影响 RTC 的稳定性;
3. 不符合低功耗设计原则:RTC 模块应设计为低功耗、独立供电模块,以确保在系统休眠或断电时仍能运行。

因此,若实验箱未为 RTC 提供独立的电源路径,确实可能成为其设计上的一个短板。

三、STC32G144G246 的三种供电方式分析

根据您的问题“有三个供电的,到底哪个才是有意义的 RTC 保存电源?”,我们推测实验箱中可能存在以下三种供电路径:

1. 主电源 VDD(MCUVCC):
用于整个 MCU 和外围电路的正常工作;
优点:供电稳定、电流充足;
缺点:断电后 RTC 无法继续运行;
不适用于 RTC 备用供电。

2. USB 供电(VBUS):
通常用于通过 USB 接口给系统供电;
在某些芯片中,VBUS 也可作为 RTC 的备用电源;
缺点:依赖 USB 插拔状态,不适用于长期断电场景;
可作为临时 RTC 供电来源,但非最佳选择。

3. RTC 专用供电(RTCVCC / VBAT):
应连接至电池或超级电容;
独立于主电源,专为 RTC 模块设计;
这是真正用于 RTC 掉电保持的供电引脚;
若芯片封装中存在该引脚,应优先使用此引脚为 RTC 供电。

四、建议的硬件设计改进方案

为了实现 RTC 的掉电保持功能,建议对实验箱的供电设计进行如下优化:

1. 为 RTC 模块增加独立供电路径:
使用一个 CR2032 纽扣电池或超级电容,通过二极管隔离后连接至 RTCVCC 引脚;
避免与主电源共用,防止主电源断电影响 RTC 工作。

2. 增加电源选择电路(Power Switching Circuit):
使用电源选择 IC(如 TPS2115)或二极管 OR 门电路,实现主电源与备用电源的无缝切换;
确保 RTC 模块始终有电。

3. 在 PCB 布局中对 RTC 电源进行隔离与滤波处理:
使用磁珠、电容对 RTC 电源进行滤波,减少干扰;
避免与数字电路共用电源平面。

五、结论

综上所述,在 STC32G144G246 单片机中,真正用于 RTC 掉电保存的电源应为 RTCVCC 引脚。实验箱中“MCUVCC”作为系统总电源,虽然可以为 RTC 模块供电,但无法实现断电保持功能,因此不能作为 RTC 的有效保存电源。

建议在实际应用中为 RTC 模块提供独立的电池供电路径,以充分发挥其掉电运行能力,提升系统可靠性与稳定性。

如您能提供具体的芯片封装图或引脚定义表,我可以进一步确认 RTCVCC 的具体引脚编号及供电方式。

[本文内容由国芯人工智能辅助生成,仅供参考]
回复

使用道具 举报 送花

  • 打卡等级:以坛为家II
  • 打卡总天数:534
  • 最近打卡:2025-10-17 09:22:01
已绑定手机

48

主题

2279

回帖

8026

积分

论坛元老

积分
8026
发表于 2025-10-9 09:41:29 | 显示全部楼层
电池供电连接MCU VCC,通过二极管隔离外设电路
当外部供电断开时,MCU通过电池供电,进入休眠模式降低功耗,RTC可继续运行:
截图202510090939558796.jpg
回复

使用道具 举报 送花

  • 打卡等级:以坛为家III
  • 打卡总天数:689
  • 最近打卡:2025-10-19 05:54:50

11

主题

1246

回帖

6333

积分

论坛元老

积分
6333
发表于 2025-10-9 09:45:03 | 显示全部楼层
要看多一点


屏幕截图 2025-10-09 093814.png

1和2  才是有意义的rtc保存电源


回复

使用道具 举报 送花

  • 打卡等级:以坛为家II
  • 打卡总天数:541
  • 最近打卡:2025-10-18 08:44:28

33

主题

2606

回帖

5749

积分

论坛元老

积分
5749
发表于 2025-10-10 09:40:23 | 显示全部楼层
官方还没有考虑单独的电池供电的引脚,,,记得是出于成本考虑。。所以现在官方的作法要绕一个弯,得配合软件处理一下。
参考例程并不是对技术参 考手册的补充,而是对技术参 考手册的解释。
技术参 考手册不应该需要参考例程作为补充,而是解释成了参考例程的样子
回复

使用道具 举报 送花

您需要登录后才可以回帖 登录 | 立即注册

本版积分规则

QQ|手机版|深圳国芯人工智能有限公司 ( 粤ICP备2022108929号-2 )

GMT+8, 2025-10-20 00:40 , Processed in 0.111637 second(s), 72 queries .

Powered by Discuz! X3.5

© 2001-2025 Discuz! Team.

快速回复 返回顶部 返回列表