找回密码
 立即注册
查看: 625|回复: 5

光耦的输出端并上一个10K电阻,是起什么作用?

[复制链接]
  • 打卡等级:以坛为家III
  • 打卡总天数:641
  • 最近打卡:2025-10-25 14:38:57
已绑定手机

167

主题

603

回帖

1302

积分

金牌会员

积分
1302
发表于 2025-3-27 11:13:52 | 显示全部楼层 |阅读模式
光耦的输出端并上一个10K电阻,是起什么作用?这样光耦不就不起作用吗了?




Snipaste_2025-03-27_11-12-09.png
回复

使用道具 举报 送花

  • 打卡等级:以坛为家II
  • 打卡总天数:525
  • 最近打卡:2025-10-25 00:36:27
已绑定手机

154

主题

1889

回帖

2657

积分

金牌会员

积分
2657
发表于 2025-3-27 11:16:12 来自手机 | 显示全部楼层
上拉吧?
回复

使用道具 举报 送花

  • 打卡等级:以坛为家III
  • 打卡总天数:641
  • 最近打卡:2025-10-25 14:38:57
已绑定手机

167

主题

603

回帖

1302

积分

金牌会员

积分
1302
发表于 2025-3-30 21:56:03 | 显示全部楼层

我也觉得是上拉,AI还给出解释,要慎用,
回复

使用道具 举报 送花

  • 打卡等级:偶尔看看III
  • 打卡总天数:37
  • 最近打卡:2025-10-25 00:10:53

16

主题

142

回帖

1206

积分

金牌会员

积分
1206
发表于 2025-3-30 23:31:17 | 显示全部楼层
输出是三极管的集电极,接上拉电阻才能输出高电平。
回复

使用道具 举报 送花

  • 打卡等级:以坛为家II
  • 打卡总天数:572
  • 最近打卡:2025-10-24 00:00:48
已绑定手机

41

主题

2462

回帖

2719

积分

荣誉版主

积分
2719
发表于 2025-3-31 02:46:10 | 显示全部楼层
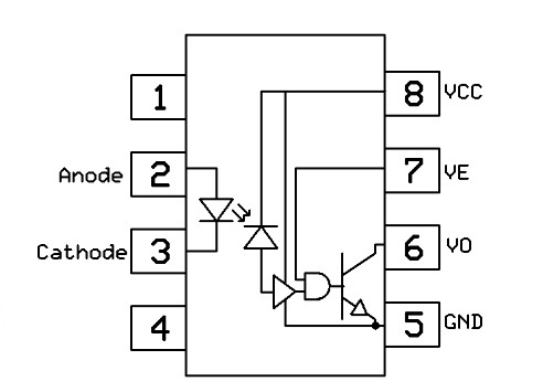
芯片的结构来说,6脚是OC输出结构的,所以需要上拉才能提供高电平输出。
截图202503310245262632.jpg
睁开眼睛做场梦~~~
回复

使用道具 举报 送花

  • 打卡等级:以坛为家III
  • 打卡总天数:693
  • 最近打卡:2025-10-25 07:54:02
已绑定手机

54

主题

1920

回帖

4117

积分

论坛元老

积分
4117
发表于 2025-3-31 09:34:08 | 显示全部楼层
晓*** 发表于 2025-3-31 02:46
芯片的结构来说,6脚是OC输出结构的,所以需要上拉才能提供高电平输出。
...

这张图的话就比较好理解了
回复

使用道具 举报 送花

您需要登录后才可以回帖 登录 | 立即注册

本版积分规则

QQ|手机版|深圳国芯人工智能有限公司 ( 粤ICP备2022108929号-2 )

GMT+8, 2025-10-25 19:23 , Processed in 0.143260 second(s), 86 queries .

Powered by Discuz! X3.5

© 2001-2025 Discuz! Team.

快速回复 返回顶部 返回列表