找回密码
 立即注册
查看: 2056|回复: 5

如何用屠龙刀进行CAN通信的实验

[复制链接]

6

主题

8

回帖

66

积分

注册会员

积分
66
发表于 2023-3-28 09:52:11 | 显示全部楼层 |阅读模式
各位大佬,请教一下,我的毕业设计是利用STC32进行CAN通信实验,目前是一个小白,没有任何经验,怎么才能进行?

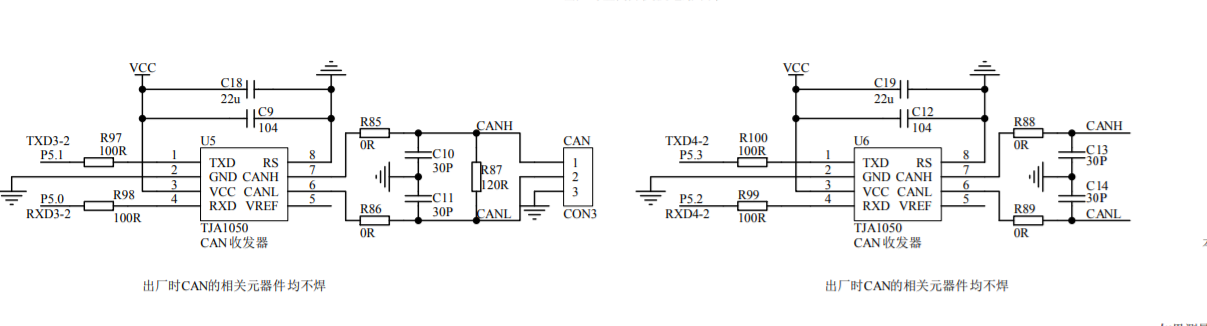
导师让我买相关的CAN收发器,我咨询了一下,屠龙刀是用的TAJ1050,参照屠龙刀的CAN电路图纸,如下图
我的疑问是:这其中的电阻和电容是需要自己购买之后,按图纸与TAJ1050进行焊接,之后再与屠龙刀对应引脚相连接。      
还是说屠龙刀本来就自带的这些元件,只需焊接TAJ1050到对应引脚?

U[3RR@%P0KIEH1D(MU5[86H.png
回复

使用道具 举报 送花

  • 打卡等级:偶尔看看III
  • 打卡总天数:35
  • 最近打卡:2025-11-05 08:40:48

31

主题

279

回帖

2488

积分

超级版主

积分
2488
发表于 2023-3-28 10:56:51 | 显示全部楼层


屠龙刀核心板 默认不焊收发器电路的元器件,做CAN总线测试的话需要自己焊接。
主要是收发器以及配套的电阻电容,如果通过串口打印结果的话再找个串口工具。
最好有个专门的CAN总线测试工具,连接到总线上跟板子进行数据收发测试验证。
STC32G-STC8H8K64U-45MHz-LQFP64-DIP64-V2.2-SCH-20220902.PDF (162.04 KB, 下载次数: 160)
STC32G12K128-LQFP64-DIP64-DEMO-CODE-20221031屠龙刀三.zip (43.88 MB, 下载次数: 206)
屠龙刀核心功能板 资料下载链接 https://www.stcai.com/filedownload/625530
QQ:3398500488
微信号:18106296592(小刘)
回复

使用道具 举报 送花

6

主题

8

回帖

66

积分

注册会员

积分
66
发表于 2023-3-28 11:05:23 | 显示全部楼层
芯L*** 发表于 2023-3-28 10:56
屠龙刀核心板 默认不焊收发器电路的元器件,做CAN总线测试的话需要自己焊接。
主要是收发器以及配套的电 ...

就是说,要按电路图,自己买电阻,电容这些,来进行焊接是吧
回复

使用道具 举报 送花

  • 打卡等级:偶尔看看III
  • 打卡总天数:35
  • 最近打卡:2025-11-05 08:40:48

31

主题

279

回帖

2488

积分

超级版主

积分
2488
发表于 2023-3-28 11:45:07 | 显示全部楼层
CAN测试相关的外围器件 是要大家自己准备哦===这是高级实战了
QQ:3398500488
微信号:18106296592(小刘)
回复

使用道具 举报 送花

  • 打卡等级:常住居民II
  • 打卡总天数:95
  • 最近打卡:2024-12-27 09:22:39

13

主题

78

回帖

1919

积分

金牌会员

积分
1919
QQ
发表于 2023-6-13 10:57:29 | 显示全部楼层
买网上的丙个成品CAN驱动模块,只连接几根线到屠龙刀开发板上即可进行实验。如果采购分离元件比较麻烦,种类多还要焊接。
回复

使用道具 举报 送花

  • 打卡等级:以坛为家I
  • 打卡总天数:231
  • 最近打卡:2025-11-07 13:27:18

785

主题

1万

回帖

2万

积分

管理员

积分
20183
发表于 2023-6-13 11:18:18 | 显示全部楼层
实战,实际焊接
好像 艾克姆的 STC32G12K128学习板,有焊接 CAN 的电路 ?

===可能他全部没设计在板子上,要 飞线出去

1.png

回复

使用道具 举报 送花

您需要登录后才可以回帖 登录 | 立即注册

本版积分规则

QQ|手机版|深圳国芯人工智能有限公司 ( 粤ICP备2022108929号-2 )

GMT+8, 2025-11-7 16:30 , Processed in 0.105495 second(s), 70 queries .

Powered by Discuz! X3.5

© 2001-2025 Discuz! Team.

快速回复 返回顶部 返回列表