找回密码
 立即注册
查看: 1947|回复: 2

STC带触摸按键功能例程包

[复制链接]
  • 打卡等级:以坛为家I
  • 打卡总天数:220
  • 最近打卡:2025-10-27 10:21:58

16

主题

170

回帖

2254

积分

版主

积分
2254
发表于 2022-11-24 11:16:15 | 显示全部楼层 |阅读模式
本帖最后由 STC32位8051芯片 于 2022-11-24 11:19 编辑

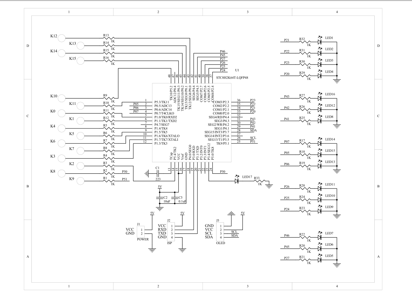
STC带触摸按键功能例程包,包含应用例程、参考原理图以及配套调试工具软件:https://www.stcai.com/filedownload/609392

触摸按键参考原理图

触摸按键参考原理图
回复

使用道具 举报 送花

2

主题

11

回帖

50

积分

注册会员

积分
50
发表于 2022-12-18 14:08:01 来自手机 | 显示全部楼层
有手摸才运行代码,最低功耗多少
回复

使用道具 举报 送花

  • 打卡等级:初来乍到
  • 打卡总天数:2
  • 最近打卡:2025-04-25 10:08:58

1

主题

4

回帖

35

积分

新手上路

积分
35
发表于 2024-8-20 08:45:15 | 显示全部楼层
文件不存在了
回复

使用道具 举报 送花

您需要登录后才可以回帖 登录 | 立即注册

本版积分规则

QQ|手机版|深圳国芯人工智能有限公司 ( 粤ICP备2022108929号-2 )

GMT+8, 2025-10-29 16:12 , Processed in 0.122391 second(s), 65 queries .

Powered by Discuz! X3.5

© 2001-2025 Discuz! Team.

快速回复 返回顶部 返回列表