找回密码
 立即注册
查看: 937|回复: 5

AI8051U的输入捕获功能,PWM特定的引脚的才能实现捕获吗

[复制链接]
  • 打卡等级:初来乍到
  • 打卡总天数:8
  • 最近打卡:2025-01-23 11:02:08

8

主题

12

回帖

174

积分

注册会员

积分
174
发表于 2025-1-16 16:02:06 | 显示全部楼层 |阅读模式
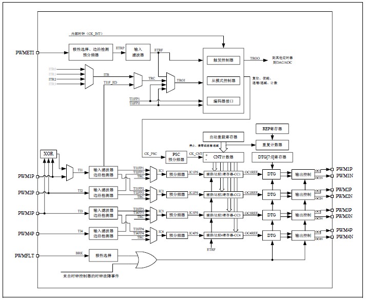
问题描述:看了一下手册,没有找到具体的配置,我目前硬件设计连接了P2.3,(PWM2N3/PWM6_3),我看手册PWMA_PS配置的是输出引脚,这种输入情况是怎么配置,还是说特定的
CC1+CC2组合可以同时捕获 PWM1P 管脚,也可以同时捕获 PWM2P 管脚;CC3+CC4 组合可以同时捕获PWM3P 管脚,也可以同时捕获 PWM4P 管脚;CC5+CC6 组合可以同时捕获 PWM5 管脚,也可以同时捕获 PWM6 管脚;CC7+CC8 组合可以同时捕获 PWM7 管脚,也可以同时捕获 PWM8 管脚)这里面说的PWMxP和PWMx是特定的引脚吗,还是怎么理解的。
疑惑:1.PWMxN的引脚不能作为捕获的引脚?

          2、PWMn_PS不能配置具体哪个作为捕获引脚?
    3、如果类似我上面引脚P2.3,这个引脚可以配置成PWM6的输入捕获引脚吗?
截图202501161552464817.jpg 截图202501161556089934.jpg 截图202501161552278079.jpg 截图202501161553578280.jpg
回复

使用道具 举报 送花

  • 打卡等级:以坛为家II
  • 打卡总天数:551
  • 最近打卡:2025-11-01 08:54:26

33

主题

2646

回帖

5873

积分

论坛元老

积分
5873
发表于 2025-1-16 16:53:02 | 显示全部楼层
疑问1: 不能
疑问2:配置输入输出功能的不是这个寄存器,这个寄存器是配置引脚的重映射功能的(切换功能脚)。
疑问3:PWMA_PS 配置的是PWM1-PWM4 这四个通道的使用的引脚,PWMB_PS可以配置PWM6选择第三种映射方式。


PS:emmmm 我觉得可能是手册里的说法,误导了你,,你把这个PS寄存器想象成 选择 PWM 使用那个引脚就行了,,至于这个PWM通道配置成输入捕获还是输出比较 还配置其他的寄存器
参考例程并不是对技术参 考手册的补充,而是对技术参 考手册的解释。
技术参 考手册不应该需要参考例程作为补充,而是解释成了参考例程的样子
回复

使用道具 举报 送花

  • 打卡等级:初来乍到
  • 打卡总天数:8
  • 最近打卡:2025-01-23 11:02:08

8

主题

12

回帖

174

积分

注册会员

积分
174
发表于 2025-1-16 17:45:36 | 显示全部楼层
_奶*** 发表于 2025-1-16 16:53
疑问1: 不能
疑问2:配置输入输出功能的不是这个寄存器,这个寄存器是配置引脚的重映射功能的(切换功能脚 ...

好的,谢谢,那比如现在我想要捕获一个引脚的周期占空比这些,这个具体引脚是怎么配置,有点不明白
回复

使用道具 举报 送花

  • 打卡等级:以坛为家III
  • 打卡总天数:601
  • 最近打卡:2025-11-01 09:21:02
已绑定手机

87

主题

6411

回帖

1万

积分

超级版主

积分
12080
发表于 2025-1-16 19:43:42 | 显示全部楼层
N只能作为互补输出用,不能输入
截图202501161943127524.jpg
使用两个通道同时捕获,一个捕获上升沿另一个捕获下降沿,就可以同时得到频率和占空比

CNT计数不能过快,溢出率不能大于输入信号频率
回复

使用道具 举报 送花

  • 打卡等级:初来乍到
  • 打卡总天数:8
  • 最近打卡:2025-01-23 11:02:08

8

主题

12

回帖

174

积分

注册会员

积分
174
发表于 2025-1-16 21:02:23 | 显示全部楼层
Debu*** 发表于 2025-1-16 19:43
N只能作为互补输出用,不能输入

使用两个通道同时捕获,一个捕获上升沿另一个捕获下降沿,就可以同时得到 ...

您好,那问一下,我这个引脚P2.3,也属于PWM6的功能脚,也不能捕获吗
截图202501162102184726.jpg

点评

PWM6P当然可以了  详情 回复 发表于 2025-1-17 12:22
回复

使用道具 举报 送花

  • 打卡等级:以坛为家III
  • 打卡总天数:601
  • 最近打卡:2025-11-01 09:21:02
已绑定手机

87

主题

6411

回帖

1万

积分

超级版主

积分
12080
发表于 2025-1-17 12:22:27 | 显示全部楼层
Leon*** 发表于 2025-1-16 21:02
您好,那问一下,我这个引脚P2.3,也属于PWM6的功能脚,也不能捕获吗

PWM6P当然可以了
回复

使用道具 举报 送花

您需要登录后才可以回帖 登录 | 立即注册

本版积分规则

QQ|手机版|深圳国芯人工智能有限公司 ( 粤ICP备2022108929号-2 )

GMT+8, 2025-11-2 13:46 , Processed in 0.118009 second(s), 78 queries .

Powered by Discuz! X3.5

© 2001-2025 Discuz! Team.

快速回复 返回顶部 返回列表