找回密码
 立即注册
查看: 9108|回复: 38

上电烧坏 | 真相:上电电源电压竟然冲击到12V

[复制链接]
  • 打卡等级:初来乍到
  • 打卡总天数:2
  • 最近打卡:2025-07-14 22:20:22

2

主题

6

回帖

78

积分

注册会员

积分
78
发表于 2023-3-14 22:48:44 | 显示全部楼层 |阅读模式
求助STC15W408AS,采用MP1584的DC-DC模块,上电的时候老是烧坏单片机,之前用这种模块在89C52上面就没有事情
将电源模块更改为7805后也可以正常,输入电源12-15V
微信图片_20230314224835.jpg
回复

使用道具 举报 送花

  • 打卡等级:以坛为家I
  • 打卡总天数:225
  • 最近打卡:2025-11-01 08:22:10

792

主题

1万

回帖

2万

积分

管理员

积分
20099
发表于 2023-3-14 22:54:52 | 显示全部楼层
那就是你们采购买的 【MP1584的DC-DC模块】有问题,或 你们这个新线路板有问题
你将你电源IC的资料和你的原理图的PDF发上来,大家好帮你
回复

使用道具 举报 送花

  • 打卡等级:以坛为家I
  • 打卡总天数:225
  • 最近打卡:2025-11-01 08:22:10

792

主题

1万

回帖

2万

积分

管理员

积分
20099
发表于 2023-3-14 23:03:28 | 显示全部楼层
输入电源12-15V,要降成 5V/3.3V, 可以看我下面这个贴:
==============================================
【40V ~ 4.5V】 电源输入 ,输出可调的 DC-DC 降压芯片 XL1509-ADJ可调,
XL1509-3.3V固定输出,XL1509-5.0V固定输出,,XL1509-12V固定输出

截图202312161744263938.jpg
https://www.stcaimcu.com/forum.p ... ptid=5025&pid=34488

但这个电源IC芯片即使是所谓的原厂出品,
在某些情况下也会:上电也会有高压冲击,
我们客人发来电源 IC 厂家的应用注意事项:

截图202312161748183504.jpg

截图202312161747173160.jpg




回复

使用道具 举报 送花

  • 打卡等级:以坛为家I
  • 打卡总天数:225
  • 最近打卡:2025-11-01 08:22:10

792

主题

1万

回帖

2万

积分

管理员

积分
20099
发表于 2023-3-14 23:06:15 | 显示全部楼层
现在的电源IC价格低的离谱,
各种省成本的结果就是上电时电源输出有冲击高压,  
所谓正规的电源IC,出厂就说会过冲到 6.14V,  
难怪动不动就烧 IC


买别人做好的电源模块/IC,就要防止他某一批品质有问题,

或他本来为省成本就省了不该省的电路,他电源都要害你了,还是给自己买个保险,
加上 5.6V/5W的稳压管和500mA的自恢复保险丝保护自己,如下的示意图请牢记
截图202312161751133352.jpg
https://www.stcaimcu.com/forum.p ... 5025&extra=page%3D1
回复

使用道具 举报 送花

  • 打卡等级:初来乍到
  • 打卡总天数:2
  • 最近打卡:2025-07-14 22:20:22

2

主题

6

回帖

78

积分

注册会员

积分
78
发表于 2023-3-14 23:23:17 | 显示全部楼层
是的,我也是分析为电源有尖峰导致的,板子要是有问题的话换7805肯定也有问题,换7805后我做过3000多次10S周期启停上电验证验证是没有问题的,模块输出电压能指针表可以看到有接近7V的瞬间摆动,不过7805也有这样的摆动,但是不烧芯片,所以在发帖问问

点评

指针表不行,那是惯性  发表于 2024-1-14 02:12
回复

使用道具 举报 送花

  • 打卡等级:以坛为家I
  • 打卡总天数:225
  • 最近打卡:2025-11-01 08:22:10

792

主题

1万

回帖

2万

积分

管理员

积分
20099
发表于 2023-3-14 23:30:45 | 显示全部楼层
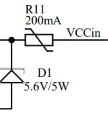
STC15W408AS-35I-SOP16/TSSOP20/SOP20/SOP28 是 5.5V ~ 2.7V 的工作电压
虽然 STC15W系列很强, 但:
我估计 连续给 6V干活, 1个月还是会坏的
我估计 你这 7V以上的 冲击,  STC15W也会叫苦连天,也会罢工不干活的,坏了正常

加上 5.6V/5W的稳压管和200mA的自恢复保险丝保护自己,太重要了,必须加
1.png
加上 5.6V/5W的稳压管和200mA的自恢复保险丝保护自己,太重要了,必须加




回复

使用道具 举报 送花

  • 打卡等级:初来乍到
  • 打卡总天数:2
  • 最近打卡:2025-07-14 22:20:22

2

主题

6

回帖

78

积分

注册会员

积分
78
发表于 2023-3-14 23:34:41 | 显示全部楼层
:lol我已经换7805了,现在可以正常了,后面在试试你的那个XL1509方案,那个模块有时间了在研究研究,谢谢答复
回复

使用道具 举报 送花

  • 打卡等级:以坛为家I
  • 打卡总天数:216
  • 最近打卡:2025-10-31 11:24:48

83

主题

6818

回帖

1万

积分

超级版主

积分
14622
发表于 2023-3-15 09:52:23 | 显示全部楼层
MP1584也是很好的IC,但是要用对。
上电就烧,说明电压有过冲,示波器一看便知,请严格按照MP1584手册里的要求设计电源。
单片机的VCC与GND并联5.6V 1~5W稳压管,能抑制过冲尖峰,用于预防,但是电源还是要设计成没有隐患的。
回复

使用道具 举报 送花

  • 打卡等级:以坛为家I
  • 打卡总天数:225
  • 最近打卡:2025-11-01 08:22:10

792

主题

1万

回帖

2万

积分

管理员

积分
20099
发表于 2023-3-15 10:28:23 | 显示全部楼层
不是谁都有 【老梁-开源示波器】的,楼主还在石器时代,用的是上古时代的指针表:
====指针表可以看到有接近7V的瞬间摆动
回复

使用道具 举报 送花

  • 打卡等级:以坛为家I
  • 打卡总天数:216
  • 最近打卡:2025-10-31 11:24:48

83

主题

6818

回帖

1万

积分

超级版主

积分
14622
发表于 2023-3-15 11:32:17 | 显示全部楼层
指针表可以看到有接近7V的瞬间摆动,那说明尖峰远高于7V,时间几十ms以上,这个对MCU非常危险。
做电子的,手边示波器必备,1000多元就可以买双通道100MHz的数字示波器了。

点评

是惯性啦,机械的东西,又没pid,过冲很正常,100MHz示波器测纹波也得开带宽限制20M,买了个正点原子手持示波器,50M带宽,460元  发表于 2024-1-14 02:18
回复

使用道具 举报 送花

您需要登录后才可以回帖 登录 | 立即注册

本版积分规则

QQ|手机版|深圳国芯人工智能有限公司 ( 粤ICP备2022108929号-2 )

GMT+8, 2025-11-1 09:03 , Processed in 0.200455 second(s), 105 queries .

Powered by Discuz! X3.5

© 2001-2025 Discuz! Team.

快速回复 返回顶部 返回列表