找回密码
 立即注册
查看: 1187|回复: 9

一箭双雕下载线固件故障时会引发目标板单片机供电电压升高 | 你因该选择3.3V

[复制链接]
  • 打卡等级:以坛为家III
  • 打卡总天数:605
  • 最近打卡:2025-10-28 11:35:53

49

主题

190

回帖

2539

积分

金牌会员

积分
2539
发表于 2024-12-16 12:10:01 | 显示全部楼层 |阅读模式
先说问题:
一箭双雕下载线如果工作正常时,与目标板单片机连接的TXD、RXD线是不会引起目标板电压升高的,
但是如果其片内固件有问题了则会引起目标板单片机供电电压升高,3.3V供电会变成4V。
这里所说的供电电压升高的前提如下:

1.目标板由一箭双雕下载线供电、并且目标板供电电压为5V。
2.目标板单片机供电为3.3V、并且目标单片机由目标板载LDO降压供电。

问题详述:
正常使用中的STC一箭双雕下载线突然不能下载了,
现象是卡在“正在检测目标单片机”状态,与下载线没有插入USB口的情形相当,
于是怀疑目标板硬件出问题了,首先用万用表测量稳压芯片7333H发现输出电压4.01V果然出问题了,
于是换新再烧录但故障依旧,再测目标单片机电源电压仍旧是4.01V,
于是又怀疑是一箭双雕固件出问题了,于是重新烧录固件代码问题解决,
目标板单片机供电正常了。

诚请指教:
如果目标板3.3V供电的器件中有电压敏感元件是否需要加以保护,
或者是否需要在3.3V输出端加一只稳压管,
亦或可不予理会或可以修改固件代码通过I/O口工作模式的设置彻底避免这个问题的出现。
123.jpg






回复

使用道具 举报 送花

  • 打卡等级:以坛为家I
  • 打卡总天数:221
  • 最近打卡:2025-10-28 07:58:36

791

主题

1万

回帖

2万

积分

管理员

积分
20106
发表于 2024-12-16 19:45:59 | 显示全部楼层
我看不懂 !!!
你要 3.3V, 你可以跳线选择 3.3V 啊,你不要选择 5V

截图202412161948409264.jpg


截图202412161947491429.jpg

截图202412161947063816.jpg

原理图见下面:

截图202412161952212824.jpg
深圳国芯人工智能有限公司-核心功能实验板 (stcai.com)
截图202412161953134968.jpg
截图202412161954268643.jpg

用最新软件,点击下面这个菜单,重新制作控制母片:
截图202412161950374378.jpg
回复

使用道具 举报 送花

  • 打卡等级:以坛为家II
  • 打卡总天数:597
  • 最近打卡:2025-10-28 08:37:32
已绑定手机

87

主题

6383

回帖

1万

积分

超级版主

积分
12008
发表于 2024-12-16 12:26:29 | 显示全部楼层
被下载PCBA电流较小,一箭双雕通过推挽IO抬高了电源电压,
IO最大电流20mA一般不会烧掉其他电路
(试过PCM5102直接给5V,一分钟,没有电流限制,剧烈发热但是没烧,
单片机IO是有一定内阻的,这种情况负载会把电压拉下去的)
IO模式可按图设置,S-RxD串二极管隔离,并用电阻上拉到3.3V
截图202412161223391106.jpg
也可尝试直接把一箭双雕设置为3.3V
LDO虽然没正常工作,但也会输出3V左右,也可正常下载(注意不要有大电流负载)
用稳压管不建议小于5.1V,更低电压的稳压管漏电流大,
但3.6~5.1V之间的稳压管也没有意义,只能保护单片机,无法保护其他电路

回复

使用道具 举报 送花

  • 打卡等级:以坛为家III
  • 打卡总天数:605
  • 最近打卡:2025-10-28 11:35:53

49

主题

190

回帖

2539

积分

金牌会员

积分
2539
发表于 2024-12-16 19:00:52 | 显示全部楼层
Debu*** 发表于 2024-12-16 12:26
被下载PCBA电流较小,一箭双雕通过推挽IO抬高了电源电压,IO最大电流20mA一般不会烧掉其他电路
(试过PCM51 ...

多谢你的悉心指点,我是因为碰到过两次这种情况了才来此发帖,
由于只有在固件失控时才出现问题所以很容易造成误判,
还想请教为什么正常使用的下载线会偶尔失控、
需要重新写入控制代码才能恢复功能?

点评

不是你讲的这回事  详情 回复 发表于 2024-12-16 20:02
回复

使用道具 举报 送花

  • 打卡等级:以坛为家I
  • 打卡总天数:221
  • 最近打卡:2025-10-28 07:58:36

791

主题

1万

回帖

2万

积分

管理员

积分
20106
发表于 2024-12-16 20:02:20 | 显示全部楼层
乐此*** 发表于 2024-12-16 19:00
多谢你的悉心指点,我是因为碰到过两次这种情况了才来此发帖,
由于只有在固件失控时才出现问题所以很容易 ...

不是你讲的这回事
回复

使用道具 举报 送花

  • 打卡等级:以坛为家III
  • 打卡总天数:605
  • 最近打卡:2025-10-28 11:35:53

49

主题

190

回帖

2539

积分

金牌会员

积分
2539
发表于 2024-12-17 10:04:15 | 显示全部楼层
神*** 发表于 2024-12-16 20:02
不是你讲的这回事

很高兴和你探讨这个问题,我再说说我遇到的问题也请多多指点。

1.我的板子为5V输入电压,经过7333H降压稳压到3.3V供板上的单片机及墨水屏驱动使用。
2.一箭双雕下载线设定输出电压5V(S-VCC)给我的板子烧录程序并供电。
操作正常时供电、用电一切安好,当一箭双雕下载线工作不正常时会丢失串口无法下载代码,此时测量我板子的3.3V供电会升高为4V,当重新为一箭双雕烧录固件后一切重归安好。
3.想知道使用一箭双雕烧录线在操作时需要注意那些问题才能避免或减少其内部固件损坏。

点评

把您原理图的 PDF 贴出来,大家一起帮您分析  详情 回复 发表于 2024-12-17 12:46
回复

使用道具 举报 送花

  • 打卡等级:以坛为家I
  • 打卡总天数:221
  • 最近打卡:2025-10-28 07:58:36

791

主题

1万

回帖

2万

积分

管理员

积分
20106
发表于 2024-12-17 12:46:19 | 显示全部楼层
乐此*** 发表于 2024-12-17 10:04
很高兴和你探讨这个问题,我再说说我遇到的问题也请多多指点。

1.我的板子为5V输入电压,经过7333H降压 ...

把您原理图的 PDF 贴出来,大家一起帮您分析
回复

使用道具 举报 送花

  • 打卡等级:以坛为家III
  • 打卡总天数:605
  • 最近打卡:2025-10-28 11:35:53

49

主题

190

回帖

2539

积分

金牌会员

积分
2539
发表于 2024-12-17 20:39:31 | 显示全部楼层

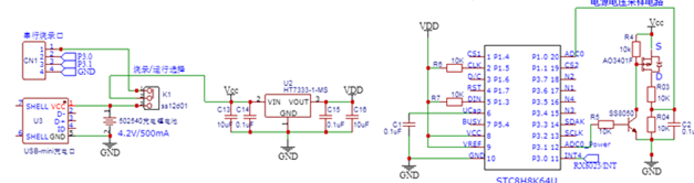
我感觉我的描述应该可以说清除了,但为了对标题负责任我还是将我工程中涉及一箭双雕与我的板子的连接相关电路贴出来吧,其实一句话就能说明白的问题就是一箭双雕内部控制软件失控后有时会出现一箭双雕板子通过串口线向目标单片机馈电的问题,原因我说不清但我已经按照2楼推荐的端口配置模式配置了管脚工作模式,以后是否还会出现类似问题有待观察。

相关部分原理图如下:(有问题出现时VDD升高至4V)

4.2寸黑白墨水屏时钟原理图_副本.png

回复

使用道具 举报 送花

  • 打卡等级:以坛为家I
  • 打卡总天数:221
  • 最近打卡:2025-10-28 07:58:36

791

主题

1万

回帖

2万

积分

管理员

积分
20106
发表于 2024-12-17 20:48:28 | 显示全部楼层
你贴了图,我分析给你看:
1,你系统是 3.3V, 你LDO-3.3V给MCU供电3.3V

截图202412172044564614.jpg

如外接电路的 I/O 是 5V 过来,经过上图保护 二极管,给 LDO-3.3V供电
LDO-3.3V 的内部自我保护电路发现外接电压高于3.3V,

则启动自我保护,停止输出3.3V


这时,外界 I/O-5V 供电,电流又不够,所以         
3.3V <  电压  < 5V
是物理规律,干多了,多懂了点而已


回复

使用道具 举报 送花

  • 打卡等级:以坛为家III
  • 打卡总天数:605
  • 最近打卡:2025-10-28 11:35:53

49

主题

190

回帖

2539

积分

金牌会员

积分
2539
发表于 2024-12-18 09:18:02 | 显示全部楼层

“这时,外界 I/O-5V 供电,电流又不够,所以         
3.3V <  电压  < 5V是物理规律,干多了,多懂了点而已”

我的应用中,一箭双雕的串口引脚是5V单片机的I/O口,它与我的3.3V单片机的I/O口连接时使其电压升高至4V的原理算是弄清楚了,多谢你的悉心指点。

回复

使用道具 举报 送花

您需要登录后才可以回帖 登录 | 立即注册

本版积分规则

QQ|手机版|深圳国芯人工智能有限公司 ( 粤ICP备2022108929号-2 )

GMT+8, 2025-10-28 22:44 , Processed in 0.143909 second(s), 109 queries .

Powered by Discuz! X3.5

© 2001-2025 Discuz! Team.

快速回复 返回顶部 返回列表