找回密码
 立即注册
查看: 1042|回复: 4

转载AI8051U的家电智能控制端

[复制链接]

18

主题

23

回帖

766

积分

高级会员

积分
766
发表于 2024-12-12 11:42:33 | 显示全部楼层 |阅读模式
一、简介

基于AI8051U芯片开发的家电智能控制端。
免责声明:
    本插座使用220V市电,DIY及使用时可能存在电击、高温烫伤等多种可能至人伤、残、死亡的风险。请严格按照安全规范操作并
做好充足的保护,未成年人请在监护人的辅助下操作。使用本方案,表示你已经对安全风险有充足的认知,请确认自己有足够的知
识储备再行操作。造成的任何损失和后果自负,本人不承担任何法律上的责任。
1.电源
电源由220V输入,通过电源模块转换5V输出给AI8051U芯片和各个元件供电。
2.程序烧录
程序烧录可通过USB直接烧录。
实现方式:
电脑端:打开AIapp-ISP-v6.94软件,选择要烧录的程序。
板子:先按下BOOT1按键,同时按下MCU-Power按键,再放开。然后放开BOOT1按键。电脑端即可检测到。
最后点“下载”,即可烧录程序进芯片。
附件有测试程序,可下载测试。
3.功能
key1按键功能选定。
key2按键,按下开启RLY2继电器,10秒后,自动关闭。或者开启后,再次按下按键,即可立刻关闭。
实际使用时,用于电热蚊香,定时为8小时。
key3按键,按下开启RLY3继电器,5秒后,自动关闭。或者开启后,再次按下按键,即可立刻关闭。
实际使用时,用于风扇,定时为2小时。
广东天气是这样的了,睡觉前30度,还是要风扇,凌晨20度又有点凉。
【再次提醒!本作品含有220V高压电路,一定!一定!!一定!!!要谨慎使用!注意安全!!】

二、实物图

截图202412121140282179.jpg

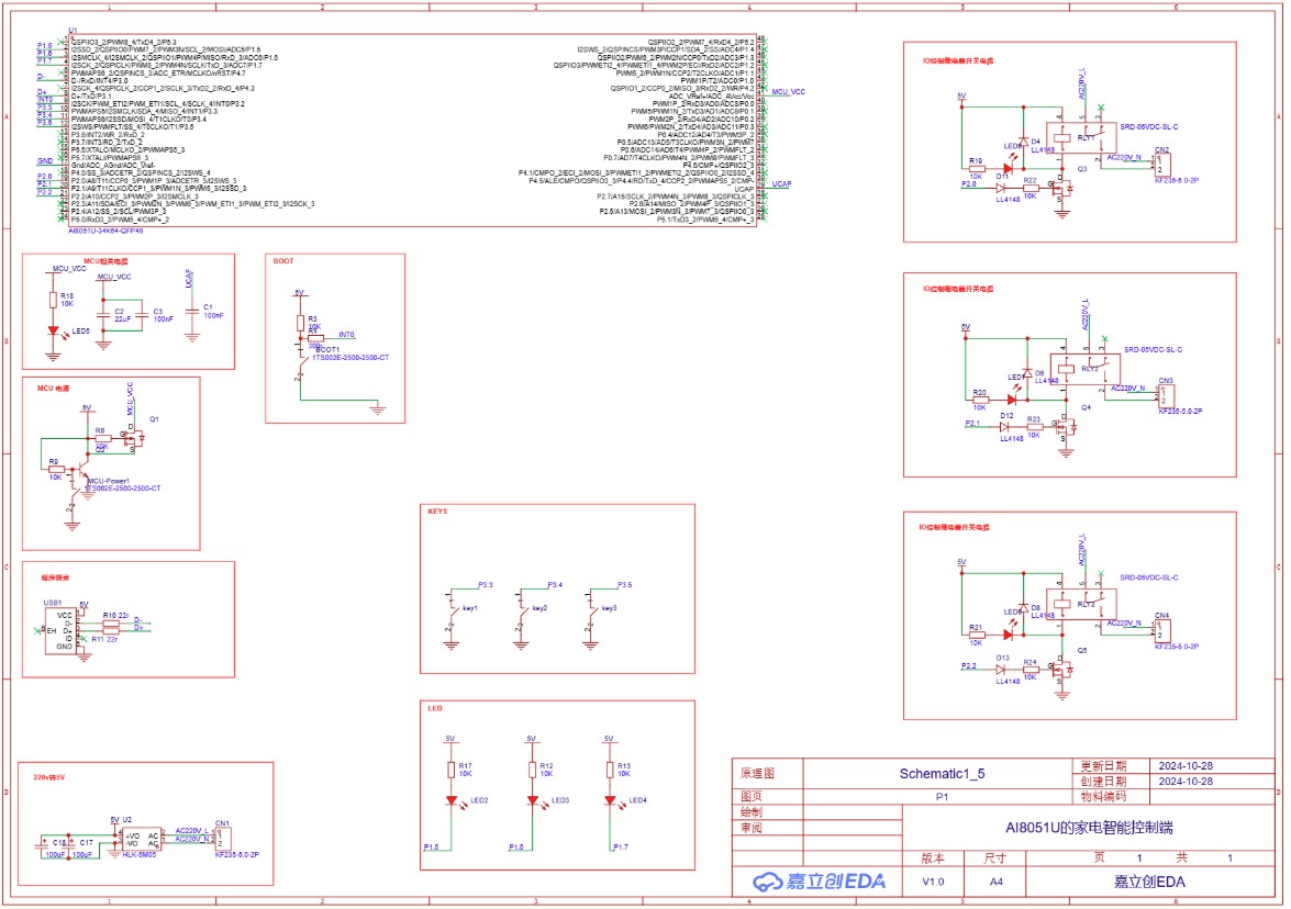
三、原理图

截图202412121141265582.jpg

四、PCB

截图202412121141527519.jpg

资料: 原理图和PCB.zip (232.81 KB, 下载次数: 78) ai8051u.hex (2.19 KB, 下载次数: 82)

回复

使用道具 举报 送花

  • 打卡等级:以坛为家III
  • 打卡总天数:605
  • 最近打卡:2025-11-01 00:01:02
已绑定手机

19

主题

3275

回帖

6114

积分

论坛元老

积分
6114
发表于 2024-12-12 12:07:28 | 显示全部楼层
感觉芯片有点浪费,可以上esp8266或其它联网模块实现远程控制。
回复

使用道具 举报 送花

  • 打卡等级:以坛为家II
  • 打卡总天数:528
  • 最近打卡:2025-10-31 07:30:34

8

主题

290

回帖

2098

积分

金牌会员

积分
2098
发表于 2024-12-16 06:16:38 | 显示全部楼层
学习一下下
回复

使用道具 举报 送花

  • 打卡等级:以坛为家III
  • 打卡总天数:690
  • 最近打卡:2025-10-31 08:05:58

125

主题

2077

回帖

4192

积分

论坛元老

积分
4192
发表于 2024-12-16 08:01:02 | 显示全部楼层

免责声明”,那是对下一代的关怀!qiang

回复

使用道具 举报 送花

  • 打卡等级:以坛为家I
  • 打卡总天数:389
  • 最近打卡:2025-10-30 01:16:05
已绑定手机

2

主题

196

回帖

1334

积分

金牌会员

积分
1334
发表于 2024-12-16 11:57:23 | 显示全部楼层

小米的IOT模块,你值得拥有

不抛弃,不放弃
回复

使用道具 举报 送花

您需要登录后才可以回帖 登录 | 立即注册

本版积分规则

QQ|手机版|深圳国芯人工智能有限公司 ( 粤ICP备2022108929号-2 )

GMT+8, 2025-11-1 05:54 , Processed in 0.117944 second(s), 80 queries .

Powered by Discuz! X3.5

© 2001-2025 Discuz! Team.

快速回复 返回顶部 返回列表