找回密码
 立即注册
查看: 2376|回复: 12

建议Ai8051U实验箱原理图精心排版

[复制链接]
  • 打卡等级:常住居民III
  • 打卡总天数:126
  • 最近打卡:2025-09-03 12:23:58
已绑定手机

60

主题

776

回帖

4025

积分

论坛元老

自定义头衔

积分
4025
发表于 2024-12-1 19:09:09 | 显示全部楼层 |阅读模式
本帖最后由 VCC 于 2024-12-1 19:11 编辑

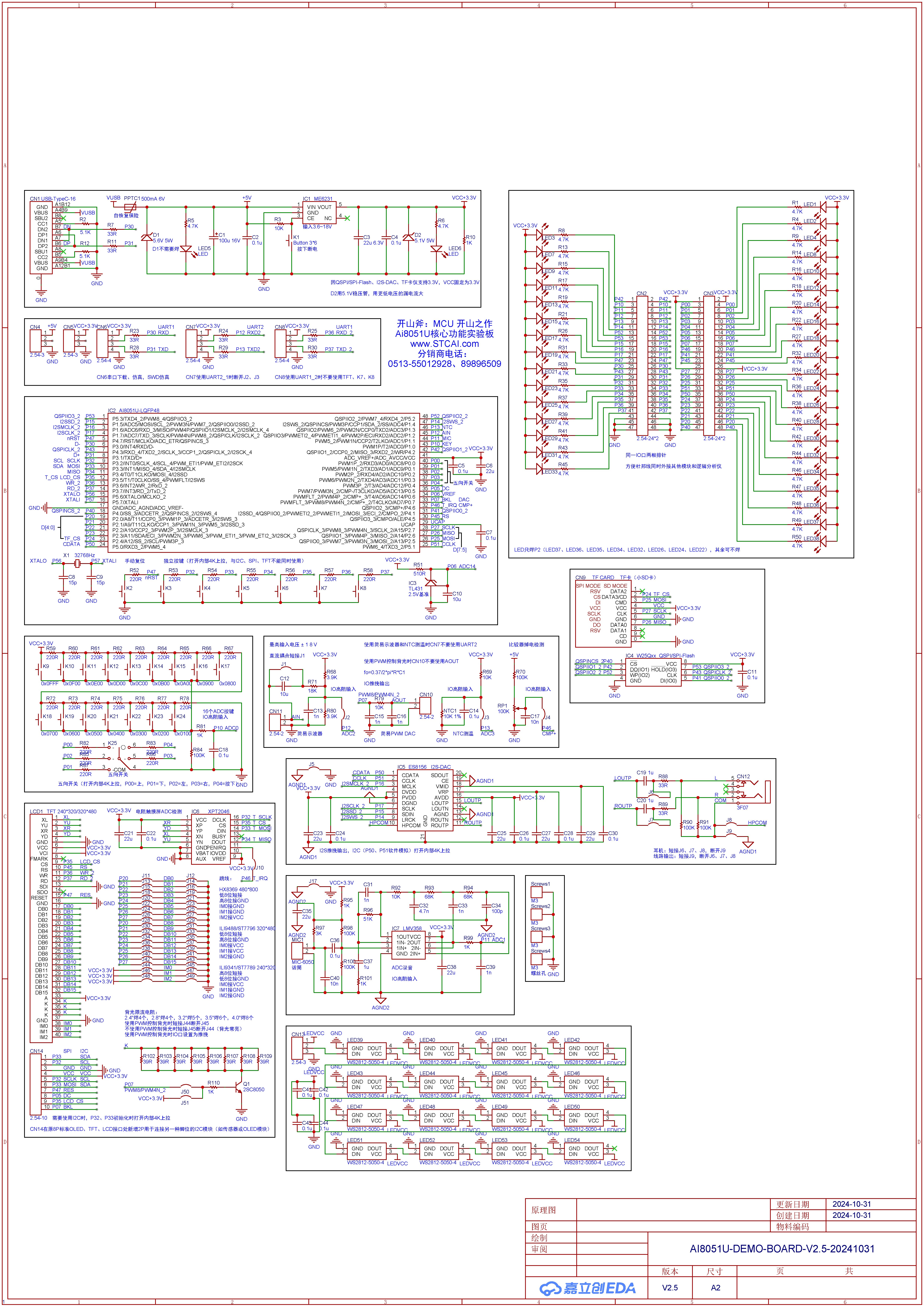
最近在学习Ai8051U实验箱,深深感到这个实验箱的原理图排版太粗糙了


之前整理了各大厂商的开发板原理图
官方与第三方51单片机开发板原理图分享 | 资料备查 - SCH/PCB EDA设计技术交流区 国芯技术交流网站 - AI32位8051交流社区


他们基本都是按功能单元,分门别类大字清晰标注的!方方正正,简明大气


反观Ai8051U实验箱原理图,是有点像草稿。没有好好排版就放出来了。这是对用户和学习者非常不负责任的做法!


而且太小了!必须得反复缩放PDF文档才能看清。至于打印出来慢慢批注学习,更别提了!


建议Ai8051U实验箱原理图精心排版
由于Ai8051U实验箱功能极为丰富,性能极为强大,建议Ai8051U实验箱原理图分3页甚至4页!不要密集地放在两页!
一次排版,功在当代,利在千秋!


截图202412011904295460.jpg
截图202412011905253984.jpg


建议Ai8051U实验箱原理图PDF去除大面积白边!
截图202412011907584050.jpg




截图202412011901223874.jpg



截图202412011902554825.jpg


截图202412011903152553.jpg


联系我请点击左下角的【回复】按钮,否则我收不到消息提
回复

使用道具 举报 送花

  • 打卡等级:以坛为家III
  • 打卡总天数:743
  • 最近打卡:2026-03-21 00:01:31
已绑定手机

19

主题

3332

回帖

6861

积分

论坛元老

积分
6861
发表于 2024-12-1 19:32:52 | 显示全部楼层
嘉立创教程也是分框图,方便查看,pcb布局也方便整块编辑。
回复

使用道具 举报 送花

  • 打卡等级:以坛为家III
  • 打卡总天数:644
  • 最近打卡:2026-03-21 16:23:04

33

主题

2909

回帖

6547

积分

论坛元老

积分
6547
发表于 2024-12-1 19:59:15 | 显示全部楼层
突然有了一种隔行如隔山 感觉....
参考例程并不是对技术参 考手册的补充,而是对技术参 考手册的解释。
技术参 考手册不应该需要参考例程作为补充,而是解释成了参考例程的样子
回复

使用道具 举报 送花

  • 打卡等级:以坛为家I
  • 打卡总天数:359
  • 最近打卡:2026-03-20 21:53:40

844

主题

1万

回帖

2万

积分

管理员

积分
22719
发表于 2024-12-1 20:01:06 | 显示全部楼层
我是看不惯那些凌乱,
各自坚持自己的就行了,不讨论
下面是画完了再转立创的


截图202412011959265644.jpg


截图202412011959564513.jpg


截图202412012000141866.jpg



回复

使用道具 举报 送花

  • 打卡等级:以坛为家III
  • 打卡总天数:821
  • 最近打卡:2026-03-21 09:40:50

24

主题

543

回帖

1885

积分

荣誉版主

积分
1885
发表于 2024-12-1 20:49:25 | 显示全部楼层
呵呵,爱之深,则责之切,可以理解。
回复

使用道具 举报 送花

  • 打卡等级:以坛为家III
  • 打卡总天数:724
  • 最近打卡:2026-03-18 07:56:47
已绑定手机

97

主题

7244

回帖

1万

积分

超级版主

积分
13791
发表于 2024-12-1 22:02:30 | 显示全部楼层
分块为了方便截图,画方框写大字反而浪费空间,为了方便A4纸打印的话实验箱原理图至少要4页
回复

使用道具 举报 送花

  • 打卡等级:以坛为家III
  • 打卡总天数:644
  • 最近打卡:2026-03-21 16:23:04

33

主题

2909

回帖

6547

积分

论坛元老

积分
6547
发表于 2024-12-2 08:53:58 | 显示全部楼层
Debu*** 发表于 2024-12-1 22:02
分块为了方便截图,画方框写大字反而浪费空间,为了方便A4纸打印的话实验箱原理图至少要4页 ...

分页多有啥问题么0.0
参考例程并不是对技术参 考手册的补充,而是对技术参 考手册的解释。
技术参 考手册不应该需要参考例程作为补充,而是解释成了参考例程的样子
回复

使用道具 举报 送花

  • 打卡等级:常住居民III
  • 打卡总天数:126
  • 最近打卡:2025-09-03 12:23:58
已绑定手机

60

主题

776

回帖

4025

积分

论坛元老

自定义头衔

积分
4025
发表于 2024-12-2 11:27:38 | 显示全部楼层
本帖最后由 VCC 于 2024-12-2 11:29 编辑
Debu*** 发表于 2024-12-1 22:02
分块为了方便截图,画方框写大字反而浪费空间,为了方便A4纸打印的话实验箱原理图至少要4页 ...

现在也没分块啊,你看看这个电阻这里

两个电路块、接插件和主电路,在原理图里通过一个电阻连在了一起,怎么想,绘制得也不合理(应该用网络标号)


截图202412021127449448.jpg

联系我请点击左下角的【回复】按钮,否则我收不到消息提
回复

使用道具 举报 送花

  • 打卡等级:偶尔看看I
  • 打卡总天数:18
  • 最近打卡:2026-03-14 09:09:00
已绑定手机

12

主题

42

回帖

414

积分

中级会员

积分
414
发表于 2025-6-2 07:17:50 | 显示全部楼层
请问原理图在哪里可以下载,能够分享一下吗?
回复

使用道具 举报 送花

  • 打卡等级:以坛为家I
  • 打卡总天数:359
  • 最近打卡:2026-03-20 21:53:40

844

主题

1万

回帖

2万

积分

管理员

积分
22719
发表于 2025-6-2 14:02:42 | 显示全部楼层
回复

使用道具 举报 送花

您需要登录后才可以回帖 登录 | 立即注册

本版积分规则

QQ|手机版|深圳国芯人工智能有限公司 ( 粤ICP备2022108929号-2 )

GMT+8, 2026-3-21 23:04 , Processed in 0.124978 second(s), 83 queries .

Powered by Discuz! X3.5

© 2001-2026 Discuz! Team.

快速回复 返回顶部 返回列表