找回密码
 立即注册
查看: 844|回复: 3

求助地址问题

[复制链接]
  • 打卡等级:偶尔看看I
  • 打卡总天数:18
  • 最近打卡:2024-11-25 15:23:12

2

主题

17

回帖

126

积分

注册会员

积分
126
发表于 2024-11-21 16:06:00 | 显示全部楼层 |阅读模式
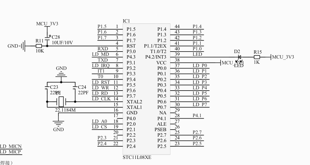
LD3320语音识别模块上用了一块STC11L08XE,里面这个操作是啥,为什么是0x8100

截图202411211601502694.jpg
附上几张说明
截图202411211605205659.jpg
截图202411211605373027.jpg
回复

使用道具 举报 送花

  • 打卡等级:偶尔看看I
  • 打卡总天数:18
  • 最近打卡:2024-11-25 15:23:12

2

主题

17

回帖

126

积分

注册会员

积分
126
发表于 2024-11-21 16:08:54 | 显示全部楼层

手册里提供的地址都是0x80
截图202411211608131434.jpg

截图202411211608498226.jpg
回复

使用道具 举报 送花

  • 打卡等级:常住居民III
  • 打卡总天数:153
  • 最近打卡:2025-10-23 08:22:15
已绑定手机

18

主题

502

回帖

1750

积分

金牌会员

积分
1750
发表于 2024-11-21 16:58:31 | 显示全部楼层
这个是利用总线产生信号来读写外部RAM,外部器件可以看成外部RAM,对RAM的读写实际就是读写外部器件,建议看标准51的总线部分
回复

使用道具 举报 送花

  • 打卡等级:常住居民III
  • 打卡总天数:153
  • 最近打卡:2025-10-23 08:22:15
已绑定手机

18

主题

502

回帖

1750

积分

金牌会员

积分
1750
发表于 2024-11-21 16:58:43 | 显示全部楼层
这个是利用总线产生信号来读写外部RAM,外部器件可以看成外部RAM,对RAM的读写实际就是读写外部器件,建议看标准51的总线部分
回复

使用道具 举报 送花

您需要登录后才可以回帖 登录 | 立即注册

本版积分规则

QQ|手机版|深圳国芯人工智能有限公司 ( 粤ICP备2022108929号-2 )

GMT+8, 2025-10-26 03:24 , Processed in 0.130491 second(s), 68 queries .

Powered by Discuz! X3.5

© 2001-2025 Discuz! Team.

快速回复 返回顶部 返回列表