找回密码
 立即注册
查看: 5999|回复: 40

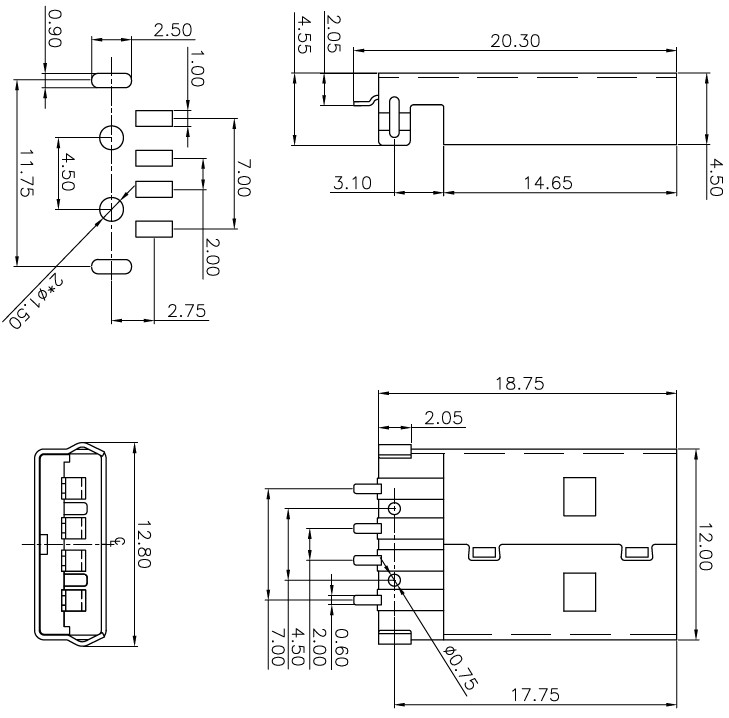
开源金属外壳, 通用 【USB转双串口,自动停电/上电】@Ai8H2K12U

[复制链接]
  • 打卡等级:常住居民III
  • 打卡总天数:181
  • 最近打卡:2025-09-22 10:04:31

24

主题

241

回帖

1431

积分

金牌会员

积分
1431
发表于 2024-10-18 09:15:10 | 显示全部楼层 |阅读模式
截图202411191157364477.jpg
截图202411101409353580.jpg
SCH-USB-UART.jpg
截图202411191157216602.jpg
截图202411191157159801.jpg
截图202411191157029600.jpg
截图202411191157108854.jpg
截图202411191156517689.jpg
截图202411191156445448.jpg
截图202411191156381586.jpg
截图202411191156284920.jpg
截图202411191156117621.jpg
截图202411191156179417.jpg
截图202411191156232848.jpg
截图202411191155599114.jpg
3D-USB-UART-1.png
3D-USB-UART-2.png
资源 1.jpg
截图202410181051216194.jpg
LCEDA:
USB-UART.eprj (940 KB, 下载次数: 177)
SCH:
SCH-USB-UART.pdf (112.87 KB, 下载次数: 118)
Gerber:
Gerber-USB-UART.zip (27.13 KB, 下载次数: 131)
BOM:
BOM.xlsx (9.81 KB, 下载次数: 108)
Assembly Drawings:
Assembly Drawings.pdf (8.78 KB, 下载次数: 142)
Pick Place:
Pick Place.xlsx (10.73 KB, 下载次数: 133)
Pick Place.csv (1005 Bytes, 下载次数: 160)
3D:
PCB1.STEP (15.29 MB, 下载次数: 185)
PCB1.STL (4.75 MB, 下载次数: 179)
外壳.STEP (47.44 KB, 下载次数: 172)
外壳.STL (24.5 KB, 下载次数: 170)
堵头.STEP (70.85 KB, 下载次数: 173)
堵头.STL (26.64 KB, 下载次数: 166)
盖.STEP (82.14 KB, 下载次数: 156)
盖.STL (26.45 KB, 下载次数: 177)
Laser:
USB-UART.eps (1.24 MB, 下载次数: 157)
USB-UART.pdf (36.85 KB, 下载次数: 123)


回复

使用道具 举报 送花

  • 打卡等级:以坛为家I
  • 打卡总天数:231
  • 最近打卡:2025-11-07 13:27:18

785

主题

1万

回帖

2万

积分

管理员

积分
20183
发表于 2024-11-10 14:03:54 | 显示全部楼层
截图202411101410108351.jpg
开源金属外壳 !
通用【USB双串口,自动停电/上电】@Ai8H2K12U
是下面 第一张5V原理图和第二张3.3V原理图的融合了

截图202411101402016628.jpg

截图202411101402385957.jpg

截图202411101403501154.jpg

https://www.stcaimcu.com/data/download/Datasheet/AI8.pdf
回复

使用道具 举报 送花

  • 打卡等级:以坛为家II
  • 打卡总天数:583
  • 最近打卡:2025-11-07 10:24:45
已绑定手机

41

主题

2470

回帖

2781

积分

荣誉版主

积分
2781
发表于 2024-10-18 10:06:32 | 显示全部楼层
开源工程链接哪?
睁开眼睛做场梦~~~
回复

使用道具 举报 送花

  • 打卡等级:以坛为家III
  • 打卡总天数:696
  • 最近打卡:2025-11-06 07:27:23

125

主题

2073

回帖

4211

积分

论坛元老

积分
4211
发表于 2024-10-18 10:28:07 | 显示全部楼层
金属外壳?哪里有金属外壳制作?
回复

使用道具 举报 送花

  • 打卡等级:常住居民III
  • 打卡总天数:181
  • 最近打卡:2025-09-22 10:04:31

24

主题

241

回帖

1431

积分

金牌会员

积分
1431
发表于 2024-10-18 10:45:36 | 显示全部楼层
晓*** 发表于 2024-10-18 10:06
开源工程链接哪?

正在做

点评

你把外观字符定制称为“开源”吗?  详情 回复 发表于 2024-10-18 13:23
回复

使用道具 举报 送花

  • 打卡等级:常住居民III
  • 打卡总天数:181
  • 最近打卡:2025-09-22 10:04:31

24

主题

241

回帖

1431

积分

金牌会员

积分
1431
发表于 2024-10-18 10:48:14 | 显示全部楼层
xxkj*** 发表于 2024-10-18 10:28
金属外壳?哪里有金属外壳制作?

淘宝

截图202410181045519210.jpg

截图202410181046491010.jpg

截图202410181048053462.jpg

回复

使用道具 举报 送花

  • 打卡等级:以坛为家III
  • 打卡总天数:696
  • 最近打卡:2025-11-06 07:27:23

125

主题

2073

回帖

4211

积分

论坛元老

积分
4211
发表于 2024-10-18 10:51:42 | 显示全部楼层

哦,知道了
200个?自己用,太多了吧,用不完的
回复

使用道具 举报 送花

  • 打卡等级:常住居民III
  • 打卡总天数:181
  • 最近打卡:2025-09-22 10:04:31

24

主题

241

回帖

1431

积分

金牌会员

积分
1431
发表于 2024-10-18 10:53:23 | 显示全部楼层
xxkj*** 发表于 2024-10-18 10:51
哦,知道了
200个?自己用,太多了吧,用不完的

论坛这么多网友,大家来团购
回复

使用道具 举报 送花

  • 打卡等级:以坛为家III
  • 打卡总天数:696
  • 最近打卡:2025-11-06 07:27:23

125

主题

2073

回帖

4211

积分

论坛元老

积分
4211
发表于 2024-10-18 10:54:05 | 显示全部楼层
CyberH*** 发表于 2024-10-18 10:53
论坛这么多网友,大家来团购

最后还是把钱送给了快递,哈哈
回复

使用道具 举报 送花

  • 打卡等级:以坛为家III
  • 打卡总天数:611
  • 最近打卡:2025-11-07 00:12:17
已绑定手机

19

主题

3281

回帖

6152

积分

论坛元老

积分
6152
发表于 2024-10-18 11:36:47 来自手机 | 显示全部楼层
还不如3d打印个
回复

使用道具 举报 送花

  • 打卡等级:以坛为家II
  • 打卡总天数:583
  • 最近打卡:2025-11-07 10:24:45
已绑定手机

41

主题

2470

回帖

2781

积分

荣誉版主

积分
2781
发表于 2024-10-18 13:23:30 | 显示全部楼层

你把外观字符定制称为“开源”吗?

点评

题目就是开源外壳  详情 回复 发表于 2024-12-9 13:25
睁开眼睛做场梦~~~
回复

使用道具 举报 送花

您需要登录后才可以回帖 登录 | 立即注册

本版积分规则

QQ|手机版|深圳国芯人工智能有限公司 ( 粤ICP备2022108929号-2 )

GMT+8, 2025-11-7 14:07 , Processed in 0.152634 second(s), 109 queries .

Powered by Discuz! X3.5

© 2001-2025 Discuz! Team.

快速回复 返回顶部 返回列表