找回密码
 立即注册
查看: 129085|回复: 369

注册坛友福利【免费+包邮 送】擎天柱:Ai8051U转89C52核心板 | 强大的视频学习资源

 火... [复制链接]
  • 打卡等级:常住居民III
  • 打卡总天数:184
  • 最近打卡:2026-03-17 13:46:23

24

主题

244

回帖

1453

积分

金牌会员

积分
1453
发表于 2024-9-27 18:24:36 | 显示全部楼层 |阅读模式
截图202512071103385492.jpg

截图202506301327424899.jpg
截图202506301327186188.jpg
本坛 注册网友 福利入坛即送,想学,或可能会用到,不浪费
擎天柱Ai8051U-LQFP48 转 89C52-DIP40 核心板,配套程序

https://www.stcaimcu.com/forum.p ... id=12839&pid=130776

截图202412210954386760.jpg
【新提醒】《8051U深度入门到32位51大型实战视频》,【免费 + 包邮 送】实验箱@Ai8051U,100万套 - 字库生成,图片取模,串口绘图,串口助手,虚拟硬件,外部串行Flash编程 国芯技术交流网站 - AI32位8051交流社区
配套程序 展示
截图202412311736524125.jpg
AI8051U数据手册: https://www.stcaimcu.com/data/download/Datasheet/AI8051U.pdf
1000万套 核心功能学习板 等您来申请,论坛注册网友福利
免费+包邮 送】擎天柱1000万套
Ai8051U-LQFP48 转 89C52-DIP40 核心板
只要愿意学能用上,本坛坛友福利,全部免费+包邮 送】
教学视频,请参考 Ai8051U 教学视频
《8051U深度入门到32位51大型实战视频》,【免费 + 包邮 送】实验箱@Ai8051U,100万套 - TFT彩屏,触摸屏,DMA-i8080/M6800并口自动刷屏,DMA-SPI刷屏,外设直接到外设 国芯技术交流网站 - AI32位8051交流社区 (stcaimcu.com)
截图202410032227349686.jpg
Ai8051U-LQFP48/LQFP48/PDIP40RMB1.9
USB 32 80511T 8051,支持328051指令集和88051指令集
比普通32位机强太多的地方, 管脚兼容 STC89C52RC/12C5A60S2系列:
1  Ai8051UTFPU@120MHz, 算力强, uS硬件三角函数/浮点运算器
2  Ai8051U抗干扰强12ADC全新设计更精准,轨到轨比较器
3  Ai8051U内置专业级复位电路,彻底省外部复位;
4  Ai8051U内部高可靠时钟完全满足串口通信要求,4高速串口
5  Ai8051UQSPIFlash,直送i8080/M6800-TFT接口,视频级刷彩屏,C8T6没有;
6  Ai8051UPWM支持硬件移相@120MHzDMA可以外设直接到外设P2P
7  Ai8051U 34K SRAM64K Flash
8  Ai8051U自带硬件USB1个芯片就能直接USB连接电脑仿真/下载,全球唯一
9  PDIP40LQFP44LQFP48封装,管脚兼容经典的89C52RC12C5A60S2
10,当328051使用,可以用 Keil C251 编译器,双核兼容设计
11,当88051使用,可以用 Keil C51/IAR/SDCC 编译器
Ai8051U-LQFP48USB 32 8051RMB1.9含税
www.STCAIMCU.com
====================================
擎天柱
Ai8051U-LQFP48 转 89C52-DIP40 核心板 V1.1 20240930
立创EDA开源 SCH / PCB

3D_AI8051U_2024-09-30-1.png     3D_AI8051U_2024-09-30-2.png
截图202409301618211654.jpg
截图202409301618423898.jpg

截图202410161440517434.jpg
截图202412101315471246.jpg
下面开源立创EDA文件,安装立创EDA专业版,双击eprj文件就打开了

开源立创EDA文件, LCEDA:
AI8051U-LQFP48-89C52RC-DIP40-20240930.eprj (2.15 MB, 下载次数: 3852)
SCH:
SCH AI8051U-LQFP48-89C52RC-DIP40-20240930.pdf (334.18 KB, 下载次数: 1298)
PCB:
PCB AI8051U-LQFP48-89C52RC-DIP40-20240930.pdf (1.52 MB, 下载次数: 1086)
Gerber:
Gerber-AI8051U-LQFP48-89C52RC-DIP40-20240930.zip (219.39 KB, 下载次数: 972)

BOM:
BOM-AI8051U-LQFP48-89C52-DIP40-V1.1-20240930.xlsx (11.07 KB, 下载次数: 924)
Assembly Drawings:
Assembly Drawings-AI8051U-LQFP48-89C52-DIP40-V1.1-20240930.pdf (52.31 KB, 下载次数: 983)

版本更新记录:
V1.0
初始版本
V1.1
修改丝印


免费 + 包邮 送】 送/申样/采购 可上班时间加 如下您对应地区的客服 QQ或微信联系
加STC华南区客服司经理QQ: 2234917869 ;  微信:18012226298  要求 【免费+包邮】 送, 还免费教仿真  
加STC华南区客服刘经理QQ: 3398500488 ;  微信:18106296592  要求 【免费+包邮】 送, 还免费教仿真  
加STC华南区客服佘经理QQ: 614777595;   微信:18106296591 要求 【免费+包邮】 送, 还免费教仿真
加STC华南区客服曹经理QQ: 1933892258 ;微信:18106296595 要求 【免费+包邮】 送, 还免费教仿真
加STC华东区客服聂经理QQ: 2593903262; 微信:18106296598  要求 【免费+包邮】 送, 还免费教仿真
加STC华东区客服吴经理QQ: 1463035472; 微信:19952583954  要求 【免费+包邮】 送, 还免费教仿真
加STC西北区客服孙经理QQ: 1347154513 ;  微信:18106296593  要求 【免费+包邮】 送, 还免费教仿真
加STC华北区客服杨经理QQ: 1638975601 ;  微信:19952583876  要求 【免费+包邮】 送, 还免费教仿真
加STC华中区客服唐经理QQ:2571301708 ; 微信:18106296589 要求 【免费+包邮】 送, 还免费教仿真
加STC东北区客服李经理QQ: 1017142298 ;  微信:19952583534  要求 【免费+包邮】 送, 还免费教仿真
加STC西南区客服曹经理QQ: 3897745450 ;  微信:18012226281 要求 【免费+包邮】 送, 还免费教仿真
加STC西南区客服吴经理QQ: 1463035472 ;  微信:19952583954 要求 【免费+包邮】 送, 还免费教仿真

工作时间:  8:30-12:00,13:00-17:30(周一 到 周五, 法定节假日除外)
免费 + 包邮 送】 送/申样/采购传统电话热线:0513-55012928,0513-89896509,0513-55012929
2025/4/15, 统一安排免费 + 包邮 送】服务人员


https://www.stcaimcu.com/forum.p ... 11902&extra=&page=1
《8051U深度入门到32位51大型实战教学视频》
发表学习心得 七集 以上,赠送 超级强大的 Ai8051U实验箱,并保证会持续到15集课程以后
可做:USB声卡,各种USB教学设备,音频播放器,示波器,FFT频谱分析仪, AI手写计算器
100万套 Ai8051U-实验箱,等您在本坛学习打卡区,发表学习感悟后,【免费 + 包邮 送】


配套 教学 视频:
截图202412101314236244.jpg
《8051U深度入门到32位51大型实战视频》,【免费 + 包邮 送】实验箱@Ai8051U,100万套 - TFT彩屏,触摸屏,DMA-i8080/M6800并口自动刷屏,DMA-SPI刷屏,外设直接到外设 国芯技术交流网站 - AI32位8051交流社区 (stcaimcu.com)
3D_AI8051U_2024-09-30-3.png
截图202511271330261477.jpg
1 喜欢他/她就送朵鲜花吧,赠人玫瑰,手有余香!

本帖被以下淘专辑推荐:

回复

使用道具 举报 送花

  • 打卡等级:以坛为家II
  • 打卡总天数:418
  • 最近打卡:2026-05-29 11:30:12

851

主题

1万

回帖

2万

积分

管理员

积分
23300
发表于 2024-9-27 19:31:12 | 显示全部楼层
截图202511021048265810.jpg

上面核心板,兼容 STC89C52RC系列,本坛注册坛友,全部【免费 + 包邮 送】

Ai8051U-LQFP48RMB1.9
USB 32 80511T 8051,支持328051指令集和88051指令集
比普通32位机强太多的地方:
1  Ai8051UTFPU@120MHz, 算力强, uS硬件三角函数/浮点运算器
2  Ai8051U抗干扰强12ADC全新设计更精准,轨到轨比较器
3  Ai8051U内置专业级复位电路,彻底省外部复位;
4  Ai8051U内部高可靠时钟完全满足串口通信要求,4高速串口
5  Ai8051UQSPIFlash,直送i8080/M6800-TFT接口,视频级刷彩屏,C8T6没有;
6  Ai8051UPWM支持硬件移相@120MHzDMA可以外设直接到外设P2P
7  Ai8051U 34K SRAM64K Flash
8  Ai8051U自带硬件USB1个芯片就能直接USB连接电脑仿真/下载,全球唯一
9  PDIP40LQFP44LQFP48封装,管脚兼容经典的89C52RC12C5A60S2
10,当328051使用,可以用 Keil C251 编译器,双核兼容设计
11,当88051使用,可以用 Keil C51/IAR/SDCC 编译器
Ai8051U-LQFP48USB 32 8051RMB1.9含税
截图202412140924322719.jpg

截图202602111707159326.jpg


截图202410271458154071.jpg
免费 + 包邮 送】 送/申样/采购 可上班时间加 如下您对应地区的客服 QQ或微信联系
加STC华南区客服司经理QQ: 2234917869 ;  微信:18012226298  要求 【免费+包邮】 送, 还免费教仿真  
加STC华南区客服刘经理QQ: 3398500488 ;  微信:18106296592  要求 【免费+包邮】 送, 还免费教仿真  
加STC华南区客服佘经理QQ: 614777595;   微信:18106296591 要求 【免费+包邮】 送, 还免费教仿真
加STC华南区客服曹经理QQ: 1933892258 ;微信:18106296595 要求 【免费+包邮】 送, 还免费教仿真
加STC华东区客服聂经理QQ: 2593903262; 微信:18106296598  要求 【免费+包邮】 送, 还免费教仿真
加STC华东区客服吴经理QQ: 1463035472; 微信:19952583954  要求 【免费+包邮】 送, 还免费教仿真
加STC西北区客服孙经理QQ: 1347154513 ;  微信:18106296593  要求 【免费+包邮】 送, 还免费教仿真
加STC华北区客服杨经理QQ: 1638975601 ;  微信:19952583876  要求 【免费+包邮】 送, 还免费教仿真
加STC华中区客服唐经理QQ:2571301708 ; 微信:18106296589 要求 【免费+包邮】 送, 还免费教仿真
加STC东北区客服李经理QQ: 1017142298 ;  微信:19952583534  要求 【免费+包邮】 送, 还免费教仿真
加STC西南区客服曹经理QQ: 3897745450 ;  微信:18012226281 要求 【免费+包邮】 送, 还免费教仿真
加STC西南区客服吴经理QQ: 1463035472 ;  微信:19952583954 要求 【免费+包邮】 送, 还免费教仿真

工作时间:  8:30-12:00,13:00-17:30(周一 到 周五, 法定节假日除外)
免费 + 包邮 送】 送/申样/采购传统电话热线:0513-55012928,0513-89896509,0513-55012929
2025/4/15, 统一安排免费 + 包邮 送】服务人员


https://www.stcaimcu.com/forum.p ... 11902&extra=&page=1
《8051U深度入门到32位51大型实战教学视频》
发表学习心得 七集 以上,赠送 超级强大的 Ai8051U实验箱,并保证会持续到15集课程以后
可做:USB声卡,各种USB教学设备,音频播放器,示波器,FFT频谱分析仪, AI手写计算器
100万套 Ai8051U-实验箱,等您在本坛学习打卡区,发表学习感悟后,【免费 + 包邮 送】

截图202410091526517937.jpg

截图202410091527252660.jpg

截图202410091527452464.jpg


截图202410081728537831.jpg

截图202410081729441601.jpg

截图202410081730495547.jpg

PCB 上要有 设计的 最后日期
PCB 上要有 设计的 最后版本号
方便生产管理/追溯


截图202409271929315889.jpg 截图202409271930207733.jpg


截图202409271932087376.jpg

以前的 【P3.0/P3.1】 用 【P5.0/P5.1】代替
以前的 PSEN/P4.4P4.0接过去

截图202409271945055318.jpg


截图202409271935366089.jpg

截图202409271931087376.jpg



回复

使用道具 举报 送花

  • 打卡等级:以坛为家II
  • 打卡总天数:418
  • 最近打卡:2026-05-29 11:30:12

851

主题

1万

回帖

2万

积分

管理员

积分
23300
发表于 2024-11-2 11:39:40 | 显示全部楼层
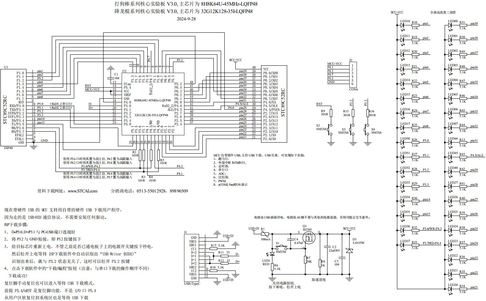
AI8051U转89C52-DIP40核心功能板V1.1,很多实验都可以做
====USB
====跑马灯 / P2口 直接焊了灯,软件延时
====外部中断,有焊 P3.2 / INT0 按键,  P3.3 / INT1 按键
====定时器 0/1/2/3/4/11,在P2口点个灯可以观察
====串行口,2个串口短接下,也可以做,边沿的那排插针孔:

         【P5.2, P5.3】是串口4;【P4.2, P4.3】是串口2
====ADC实验,不同的电压:

          ADC15接的是 内部1.19V辅助固定信号源
          ADCx:
                   VCC / 单独打开内部上拉电阻,
                   GND / 单独打开内部下拉电阻
                   同时打开内部 上拉 / 下拉电阻
====比较器
                   CMP+ 的 I/O, 分别打开 内部上拉电阻,内部下拉电阻
                   CMP- 的 I/O,  分别打开 内部上拉电阻,内部下拉电阻
                                       或接通 内部1.19V辅助固定信号源

截图202507171115421904.jpg

截图202507171116042241.jpg


截图202507171106207749.jpg

截图202503081804321270.jpg
回复

使用道具 举报 送花

  • 打卡等级:常住居民III
  • 打卡总天数:184
  • 最近打卡:2026-03-17 13:46:23

24

主题

244

回帖

1453

积分

金牌会员

积分
1453
发表于 2024-11-29 17:41:33 | 显示全部楼层
本论坛每人【免费+包邮】送一个这个核心板学习板,
点灯,外部中断,定时器,串口通信,ADC,USB  实验都可以完成

P2流水灯测试程序:
擎天柱P2流水灯测试程序.zip (5.68 KB, 下载次数: 1027)
回复

使用道具 举报 送花

  • 打卡等级:以坛为家II
  • 打卡总天数:418
  • 最近打卡:2026-05-29 11:30:12

851

主题

1万

回帖

2万

积分

管理员

积分
23300
发表于 2024-11-30 11:46:41 | 显示全部楼层
商品名称:AI8051U转89C52-DIP40核心功能板;
江湖人称:擎天柱;
销售价格:  RMB5.5;
商品+包邮价格:  RMB8;
在本坛注册,
【免费+包邮 送】;
在本坛注册,发表学习心得,【免费+包邮 送】;
在本坛注册,帮忙回答技术问题【免费+包邮 送】;
在本坛注册,发表技术文章【免费+包邮 送】;
截图202411301147244494.jpg

截图202411301615243692.jpg






回复

使用道具 举报 送花

  • 打卡等级:以坛为家II
  • 打卡总天数:418
  • 最近打卡:2026-05-29 11:30:12

851

主题

1万

回帖

2万

积分

管理员

积分
23300
发表于 2024-12-7 22:38:34 | 显示全部楼层
网友发来,操作指南
截图202412080015493564.jpg


截图202412080016164251.jpg

截图202412080017157840.jpg
截图202412080017534110.jpg
截图202412072238067756.jpg


截图202412080018303530.jpg





回复

使用道具 举报 送花

  • 打卡等级:以坛为家II
  • 打卡总天数:418
  • 最近打卡:2026-05-29 11:30:12

851

主题

1万

回帖

2万

积分

管理员

积分
23300
发表于 2024-12-24 10:57:05 | 显示全部楼层
回复

使用道具 举报 送花

  • 打卡等级:以坛为家III
  • 打卡总天数:813
  • 最近打卡:2026-05-30 00:01:12
已绑定手机

20

主题

3406

回帖

7317

积分

论坛元老

积分
7317
发表于 2024-9-27 18:42:11 来自手机 | 显示全部楼层
加入5伏3.3伏手动切换功能会不会好点
回复

使用道具 举报 送花

  • 打卡等级:以坛为家III
  • 打卡总天数:756
  • 最近打卡:2026-05-30 00:51:18
已绑定手机

49

主题

2685

回帖

2849

积分

荣誉版主

积分
2849
发表于 2024-9-27 18:44:22 | 显示全部楼层
AI8051U本来就有DIP40封装,转这个有什么意义

点评

可以直接插在STC89系列的开发板上 实现USB下载、USB仿真  详情 回复 发表于 2024-10-15 16:02
~~~
回复

使用道具 举报 送花

  • 打卡等级:以坛为家III
  • 打卡总天数:813
  • 最近打卡:2026-05-30 00:01:12
已绑定手机

20

主题

3406

回帖

7317

积分

论坛元老

积分
7317
发表于 2024-9-27 19:28:50 来自手机 | 显示全部楼层
晓飛飛 发表于 2024-9-27 18:44
AI8051U本来就有DIP40封装,转这个有什么意义

早期89C52板都需要USB转TTL下载固件,
所以有TypeC接口供电的也没有接USB的[D+,D-],
这个唯一优点应该是可以插TypeC线直接下载程序吧。
和使用USB功能吧(不需要自己做线)。
回复

使用道具 举报 送花

  • 打卡等级:以坛为家III
  • 打卡总天数:632
  • 最近打卡:2026-05-29 06:04:04

0

主题

196

回帖

2917

积分

金牌会员

积分
2917
发表于 2024-9-27 19:35:13 | 显示全部楼层
晓*** 发表于 2024-9-27 18:44
AI8051U本来就有DIP40封装,转这个有什么意义

言辞犀利

点评

借保地一用,我已经收到货了,上面已经焊好MCU,指示灯焊了8个,我看其它网友,指示灯是全焊的,很是漂亮,所以你们收到的是不是全焊的呢  发表于 2025-1-2 17:11
回复

使用道具 举报 送花

  • 打卡等级:以坛为家II
  • 打卡总天数:466
  • 最近打卡:2026-02-08 20:24:31
已绑定手机

23

主题

279

回帖

1854

积分

金牌会员

积分
1854
发表于 2024-9-27 19:43:10 来自手机 | 显示全部楼层
{:5_332:}
退了
回复

使用道具 举报 送花

  • 打卡等级:以坛为家II
  • 打卡总天数:418
  • 最近打卡:2026-05-29 11:30:12

851

主题

1万

回帖

2万

积分

管理员

积分
23300
发表于 2024-9-28 15:45:25 | 显示全部楼层
复位键复位 也可以进入 USB下载模式

截图202409281545057488.jpg

截图202409281544514532.jpg
回复

使用道具 举报 送花

  • 打卡等级:以坛为家I
  • 打卡总天数:380
  • 最近打卡:2025-11-12 11:13:25

13

主题

114

回帖

281

积分

中级会员

积分
281
发表于 2024-9-28 15:58:31 | 显示全部楼层
搞来看看,我正想弄一个最小核心板
回复

使用道具 举报 送花

  • 打卡等级:以坛为家III
  • 打卡总天数:872
  • 最近打卡:2026-05-29 04:42:41
已绑定手机

34

主题

459

回帖

3640

积分

论坛元老

积分
3640
发表于 2024-9-28 17:21:01 | 显示全部楼层
直接用DIP40
回复

使用道具 举报 送花

您需要登录后才可以回帖 登录 | 立即注册

本版积分规则

QQ|手机版|深圳国芯人工智能有限公司 ( 粤ICP备2022108929号-2 )

GMT+8, 2026-5-30 00:56 , Processed in 0.140874 second(s), 131 queries .

Powered by Discuz! X3.5

© 2001-2026 Discuz! Team.

快速回复 返回顶部 返回列表