| 
				打卡等级:以坛为家I打卡总天数:216最近打卡:2025-10-31 11:24:48   超级版主 
 
	积分14622 
 | 
 
| Ai8051USB,USB 型 1T 8051,支持32位和8位指令集 管脚兼容天王级别的:  89C52RC,  12C5A60S2
 要兼容 8位8051指令集,可以用 Keil C51/IAR/SDCC 编译器
 ===就相当于更强大的 8H8K64U
 要兼容 32位8051指令集,可以用 Keil C251 编译器,双核兼容设计
 ===就相当于更强大的 32G12K128, 32G8K64
 34K SRAM(2K edata, 32K xdata), 64K Flash
 TFPU@120MHz, 硬件浮点/硬件三角函数 运算器
 DMA支持PWM, DMA支持外设直接到外设, P2P
 120MHz-PWM支持硬件移相,16位PWM; 真12位ADC
 USB, 4组串口,12位ADC, 轨到轨比较器
 QSPI, SPI, I2S, I2C, TFT-i8080/M6800 接口
 PDIP40,LQFP44,LQFP48
 CPU32@42MHz
 =================================================================
 WS2812三基色彩灯@AI8051U,USB
 ===最多同时驱动2730个三基色彩灯
 ===USART1/串口1的USART1-SPI, 无需反相,用DMA支持,不占CPU时间
 可以驱动第1路独立的 WS2812灯带网络
 ===USART2/串口2的USART2-SPI, 无需反相,用DMA支持,不占CPU时间
 可以驱动第2路独立的 WS2812灯带网络
 ===还有标配的独立 SPI
 可以驱动第3路独立的 WS2812灯带网络
 ===QSPI 也可以当一条数据线的普通 SPI
 可以驱动第4路独立的 WS2812灯带网络
 AI8051U的串口1或串口2工作于SPI-DMA模式,输出控制WS2812三基色彩灯 !
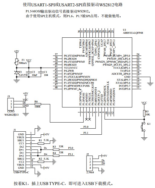
 使用 SPI-MOSI 输出直接驱动WS2812 三基色彩灯,
 DMA传输,32K SRAM 轻松驱动最多2730个灯并且不占用CPU时间 !
 本例使用P1.5/MOSI输出信号(用户可以切换到别的脚)直接驱动WS2812。
 只用到MOSI驱动WS2812,但由于SPI的3个信号是捆绑在一起的
 ===MISO不能做它用
 ===SCLK如要做其他用途,可设置为高阻输入,作为输入使用
 这时要设置 SPI 的相关I/O的工作模式不自动切换,由用户设置
 本例P1.6-MISO被SPI占用,不能做他用。
 这 SPI 留了这么个绝活 支持 WS2812B !!!
 
 本例驱动24个灯,接成环状。
 SPI发送288字节,DMA启动后自动发送完所有的数据(本例发送时间810us),不占CPU时间。
 
 每个灯3个字节,分别对应绿、红、蓝则,MSB先发.
 800KHz码率,
 数据0(1/4占空比): H=0.3125us  L=0.9375us,
 数据1(3/4占空比): H=0.9375us  L=0.3125us,
 RESET>=50us.
 高电平时间要精确控制在要求的范围内,
 低电平时间不需要精确控制, 大于要求的最小值并小于RES的50us即可.
 
 WS2812S的标准时序如下:
 TH+TL = 1.25us±150ns, RES>50us
 T0H = 0.25us±150ns = 0.10us - 0.40us
 T0L = 1.00us±150ns = 0.85us - 1.15us
 T1H = 1.00us±150ns = 0.85us - 1.15us
 T1L = 0.25us±150ns = 0.10us - 0.40us
 两个位数据之间的间隔要小于RES的50us.
 
 SPI方案:
 
 本例使用USART1-SPI模式的P1.5-MOSI输出驱动信号直接驱动WS2812。
 由于使用SPI主机模式,则P1.6、P1.7被SPI占用,不能做他用。
 
 用SPI传输, 速度3.0~3.5MHz,以3.2MHz为最佳, MSB先发, 每个字节高4位和低4位分别对应一个位数据, 1000为数据0, 1110为数据1.
 SPI数据位       D7 D6 D5 D4    D3 D2 D1 D0
 SPI数据          1   0   0    0      1   1    1   0
 WS2812数据0    WS2812数据1
 SPI数据高半字节对应的WS2812数据0-->0x80, 数据1-->0xe0,
 SPI数据低半字节对应的WS2812数据0-->0x08, 数据1-->0x0e,
 主频25.6MHz, SPI分频8 = 3.2MHz,佳.
 电路预览(附件带PDF电路):
 
   
 
  AI8051U-USART1-SPI-DMA发送-直接驱动WS2812彩灯.rar
(273.88 KB, 下载次数: 301) 
 
  AI8051U-USART2-SPI-DMA发送-直接驱动WS2812彩灯.rar
(273.75 KB, 下载次数: 310) 
 驱动视频:
 
 
 
 
 
 
 
 
 
 | 
 |