找回密码
 立即注册
查看: 1718|回复: 7

手焊STC8H8K64U系统板展示

[复制链接]
  • 打卡等级:以坛为家III
  • 打卡总天数:665
  • 最近打卡:2025-12-16 01:07:38
已绑定手机
已实名认证

46

主题

162

回帖

1122

积分

金牌会员

积分
1122
发表于 2024-6-22 04:37:00 | 显示全部楼层 |阅读模式
焊接结果展示如下图所示,

STC8H8K64U核心板

STC8H8K64U核心板

STC8H8K64U核心板背面

STC8H8K64U核心板背面

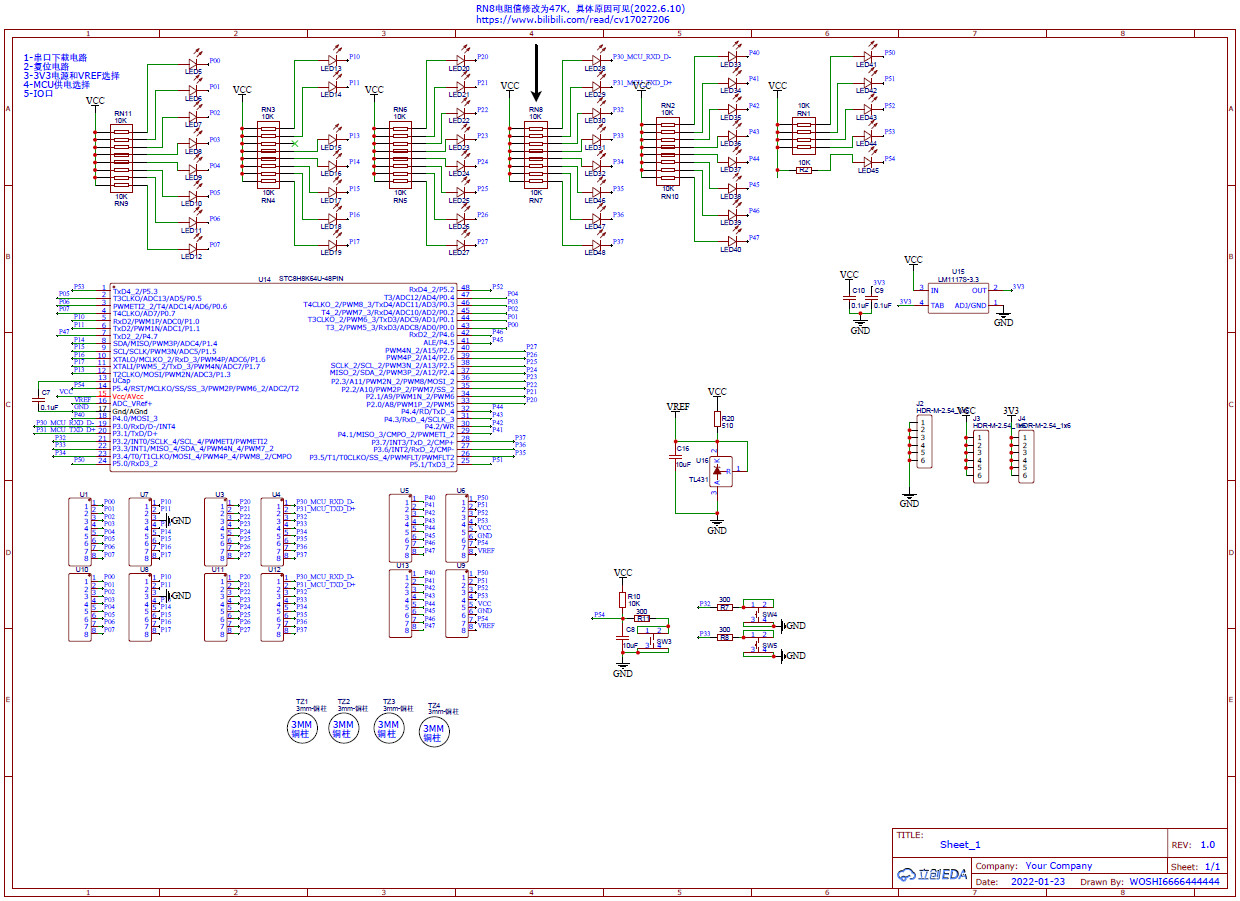
原理图如下

STC8H8K64U核心板原理图-MCU

STC8H8K64U核心板原理图-MCU

STC8H8K64U核心板原理图-下载

STC8H8K64U核心板原理图-下载


流水灯效果展示


代码
https://www.stcaimcu.com/forum.php?mod=attachment&aid=NDgwNTh8ODUxM2Q0Nzh8MTc2NjE2NjUzM3wwfA%3D%3D

但是焊接P3引脚的LED和10kΩ电阻后,USB下载无法正常识别;
更换47kΩ电阻后可以识别,求助各位大神这里的问题出在哪里?

PCB文件参考:https://oshwhub.com/WOSHI6666444444/stc8h8k64u-lqfp48-hu-xin-ban

MCU开发者和爱好者
回复

使用道具 举报 送花

  • 打卡等级:以坛为家III
  • 打卡总天数:653
  • 最近打卡:2025-12-20 00:00:25
已绑定手机

19

主题

3292

回帖

6512

积分

论坛元老

积分
6512
发表于 2024-6-22 10:07:31 来自手机 | 显示全部楼层
这个不错就是io口丝印的时候标是io口多少就好了。
回复

使用道具 举报 送花

  • 打卡等级:以坛为家I
  • 打卡总天数:256
  • 最近打卡:2025-12-17 11:49:44
已绑定手机

47

主题

575

回帖

2038

积分

荣誉版主

积分
2038
发表于 2024-6-22 11:31:49 | 显示全部楼层
小玩意不好焊吧
回复

使用道具 举报 送花

  • 打卡等级:以坛为家III
  • 打卡总天数:605
  • 最近打卡:2025-12-12 11:37:09

5

主题

294

回帖

2764

积分

金牌会员

积分
2764
发表于 2024-6-22 13:30:37 | 显示全部楼层
原理图的LED是不是画反了?
回复

使用道具 举报 送花

  • 打卡等级:以坛为家I
  • 打卡总天数:269
  • 最近打卡:2025-12-19 09:32:23

814

主题

1万

回帖

2万

积分

管理员

积分
21365
发表于 2024-6-22 13:57:06 | 显示全部楼层
回复

使用道具 举报 送花

  • 打卡等级:以坛为家III
  • 打卡总天数:665
  • 最近打卡:2025-12-16 01:07:38
已绑定手机
已实名认证

46

主题

162

回帖

1122

积分

金牌会员

积分
1122
发表于 2024-6-22 17:08:57 | 显示全部楼层
so*** 发表于 2024-6-22 10:07
这个不错就是io口丝印的时候标是io口多少就好了。

标注了的

IO标记

IO标记


MCU开发者和爱好者
回复

使用道具 举报 送花

  • 打卡等级:以坛为家III
  • 打卡总天数:665
  • 最近打卡:2025-12-16 01:07:38
已绑定手机
已实名认证

46

主题

162

回帖

1122

积分

金牌会员

积分
1122
发表于 2024-6-22 17:17:09 | 显示全部楼层
神*** 发表于 2024-6-22 13:57
可以用 STC8H2K12U-45I-SOP16做 USB转双串口

参考下图:

有没有USB下载、串口下载和MCU芯片在同一块板子的官方开发板或示例?
开天斧和屠龙刀经过一段时间试用发现,USB下载的成功率不是那么高;
但是每次用单独的下载器下载程序有点麻烦……
所以想把STC的串口下载器和开天斧融合在一起就完美了,
替换沁恒的CH340或者CP2102串口下载器

MCU开发者和爱好者
回复

使用道具 举报 送花

  • 打卡等级:以坛为家I
  • 打卡总天数:269
  • 最近打卡:2025-12-19 09:32:23

814

主题

1万

回帖

2万

积分

管理员

积分
21365
发表于 2024-6-22 17:43:38 | 显示全部楼层
USB 下载,无法接其他电路的,会影响 USB

要做在同一块板上,你只能用跳线,去断开 !!!
按下图,用电源开关,不是错误的插拔USB,
USB下载,顺利流畅,
插拔 USB 是错误的做法===成功率不高

截图202406221741479116.jpg

截图202406221742121079.jpg

下图是 RMB0.99的 USB转串口
全自动 停电/上电下载,无需手工停电,
也是百发百中
截图202406221744357343.jpg

回复

使用道具 举报 送花

您需要登录后才可以回帖 登录 | 立即注册

本版积分规则

QQ|手机版|深圳国芯人工智能有限公司 ( 粤ICP备2022108929号-2 )

GMT+8, 2025-12-20 01:48 , Processed in 0.116489 second(s), 82 queries .

Powered by Discuz! X3.5

© 2001-2025 Discuz! Team.

快速回复 返回顶部 返回列表