找回密码
 立即注册
查看: 3106|回复: 21

请问为什么输入口使用高阻+上拉读出的状态不对|已解决

[复制链接]
  • 打卡等级:以坛为家III
  • 打卡总天数:890
  • 最近打卡:2026-05-11 07:50:13
已绑定手机

59

主题

2037

回帖

3874

积分

论坛元老

积分
3874
发表于 2024-4-19 16:35:39 | 显示全部楼层 |阅读模式
本帖最后由 STCAI-32位8051 于 2024-4-22 10:44 编辑

如题,我输入口使用高阻+上拉(内部上拉)读出的状态不对,测量电压为2.2V左右,设置为准双向口就可以
截图202404191633316559.jpg
回复

使用道具 举报 送花

  • 打卡等级:以坛为家II
  • 打卡总天数:403
  • 最近打卡:2026-05-10 15:24:05

849

主题

1万

回帖

2万

积分

管理员

积分
23234
发表于 2024-4-19 16:53:36 | 显示全部楼层
请贴出完整的线路图的PDF,如下
截图202404191653141980.jpg
https://www.stcaimcu.com/forum.p ... ptid=4830&pid=33152

截图202404191654127663.jpg

截图202404191654409521.jpg

截图202404191655039552.jpg

截图202404191655219307.jpg




回复

使用道具 举报 送花

  • 打卡等级:以坛为家II
  • 打卡总天数:403
  • 最近打卡:2026-05-10 15:24:05

849

主题

1万

回帖

2万

积分

管理员

积分
23234
发表于 2024-4-19 16:57:29 | 显示全部楼层
回复

使用道具 举报 送花

  • 打卡等级:以坛为家II
  • 打卡总天数:403
  • 最近打卡:2026-05-10 15:24:05

849

主题

1万

回帖

2万

积分

管理员

积分
23234
发表于 2024-4-19 16:57:45 | 显示全部楼层
自己参考修改下
回复

使用道具 举报 送花

  • 打卡等级:以坛为家III
  • 打卡总天数:732
  • 最近打卡:2026-05-11 03:50:13
已绑定手机

17

主题

772

回帖

2831

积分

金牌会员

积分
2831
发表于 2024-4-20 07:39:49 | 显示全部楼层
上拉电阻电源24V会损坏单片机输入口的
回复

使用道具 举报 送花

  • 打卡等级:以坛为家III
  • 打卡总天数:890
  • 最近打卡:2026-05-11 07:50:13
已绑定手机

59

主题

2037

回帖

3874

积分

论坛元老

积分
3874
发表于 2024-4-20 07:53:28 | 显示全部楼层
小*** 发表于 2024-4-20 07:39
上拉电阻电源24V会损坏单片机输入口的

光耦输出侧是5V的
回复

使用道具 举报 送花

  • 打卡等级:以坛为家III
  • 打卡总天数:890
  • 最近打卡:2026-05-11 07:50:13
已绑定手机

59

主题

2037

回帖

3874

积分

论坛元老

积分
3874
发表于 2024-4-20 09:44:59 | 显示全部楼层
神*** 发表于 2024-4-19 16:57
自己参考修改下

同样的电路,设置为准双向口的话电平是对的,设置为高阻+上拉就不对了
回复

使用道具 举报 送花

  • 打卡等级:以坛为家III
  • 打卡总天数:890
  • 最近打卡:2026-05-11 07:50:13
已绑定手机

59

主题

2037

回帖

3874

积分

论坛元老

积分
3874
发表于 2024-4-20 09:49:24 | 显示全部楼层
神*** 发表于 2024-4-19 16:57
自己参考修改下

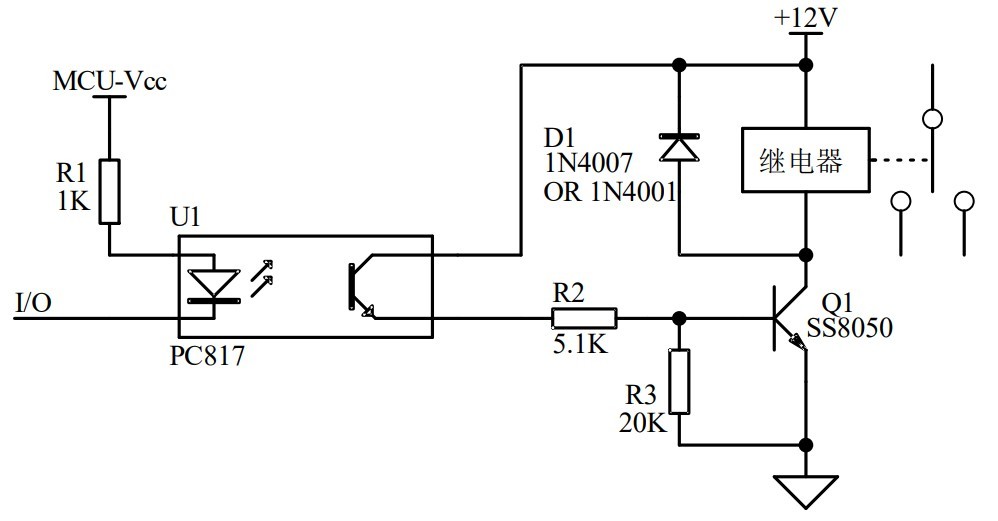
这个电路应该硬件是没有什么问题,我的问题是这种输入端口是不是就不能是高阻+上拉来实现?
截图202404200947223397.jpg
回复

使用道具 举报 送花

  • 打卡等级:以坛为家III
  • 打卡总天数:717
  • 最近打卡:2026-05-11 01:31:07

9

主题

653

回帖

4600

积分

论坛元老

积分
4600
发表于 2024-4-20 11:10:38 | 显示全部楼层
STC单片机内部上拉电阻只在准双向模式起作用吧,配置成高阻模式,内部上拉配置会忽略掉,
不像有些单片机上拉是独立控制,可以配成高阻加上拉.
回复

使用道具 举报 送花

  • 打卡等级:以坛为家III
  • 打卡总天数:890
  • 最近打卡:2026-05-11 07:50:13
已绑定手机

59

主题

2037

回帖

3874

积分

论坛元老

积分
3874
发表于 2024-4-20 11:13:07 | 显示全部楼层
本帖最后由 jwd 于 2024-4-20 11:15 编辑
网*** 发表于 2024-4-20 11:10
STC单片机内部上拉电阻只在准双向模式起作用吧,配置成高阻模式,内部上拉配置会忽略掉,
不像有些单片机上拉 ...

应该是,高阻时感觉内部上拉没有起作用,但手册里面没有说只有准双向口才有效啊
回复

使用道具 举报 送花

您需要登录后才可以回帖 登录 | 立即注册

本版积分规则

QQ|手机版|深圳国芯人工智能有限公司 ( 粤ICP备2022108929号-2 )

GMT+8, 2026-5-11 12:35 , Processed in 0.113611 second(s), 82 queries .

Powered by Discuz! X3.5

© 2001-2026 Discuz! Team.

快速回复 返回顶部 返回列表