找回密码
 立即注册
楼主: wuzhengmin

有关DMA,山东大学陈桂友教授

[复制链接]
  • 打卡等级:常住居民III
  • 打卡总天数:153
  • 最近打卡:2026-03-30 19:54:03
已绑定手机

22

主题

2426

回帖

3422

积分

论坛元老

积分
3422
发表于 2025-12-29 22:30:23 | 显示全部楼层
中断向量:
截图202512292230216363.jpg
回复

使用道具 举报 送花

  • 打卡等级:常住居民III
  • 打卡总天数:153
  • 最近打卡:2026-03-30 19:54:03
已绑定手机

22

主题

2426

回帖

3422

积分

论坛元老

积分
3422
发表于 2025-12-29 22:31:28 | 显示全部楼层
存储器:
截图202512292231253645.jpg
回复

使用道具 举报 送花

  • 打卡等级:常住居民III
  • 打卡总天数:153
  • 最近打卡:2026-03-30 19:54:03
已绑定手机

22

主题

2426

回帖

3422

积分

论坛元老

积分
3422
发表于 2025-12-29 22:32:19 | 显示全部楼层
高128字节的直接寻址和间接寻址:
截图202512292232178391.jpg
回复

使用道具 举报 送花

  • 打卡等级:常住居民III
  • 打卡总天数:153
  • 最近打卡:2026-03-30 19:54:03
已绑定手机

22

主题

2426

回帖

3422

积分

论坛元老

积分
3422
发表于 2025-12-29 22:35:16 | 显示全部楼层
内部数据存储器
截图202512292234549768.jpg
回复

使用道具 举报 送花

  • 打卡等级:常住居民III
  • 打卡总天数:153
  • 最近打卡:2026-03-30 19:54:03
已绑定手机

22

主题

2426

回帖

3422

积分

论坛元老

积分
3422
发表于 2025-12-29 22:36:03 | 显示全部楼层
按位寻址:
截图202512292236017228.jpg
回复

使用道具 举报 送花

  • 打卡等级:常住居民III
  • 打卡总天数:153
  • 最近打卡:2026-03-30 19:54:03
已绑定手机

22

主题

2426

回帖

3422

积分

论坛元老

积分
3422
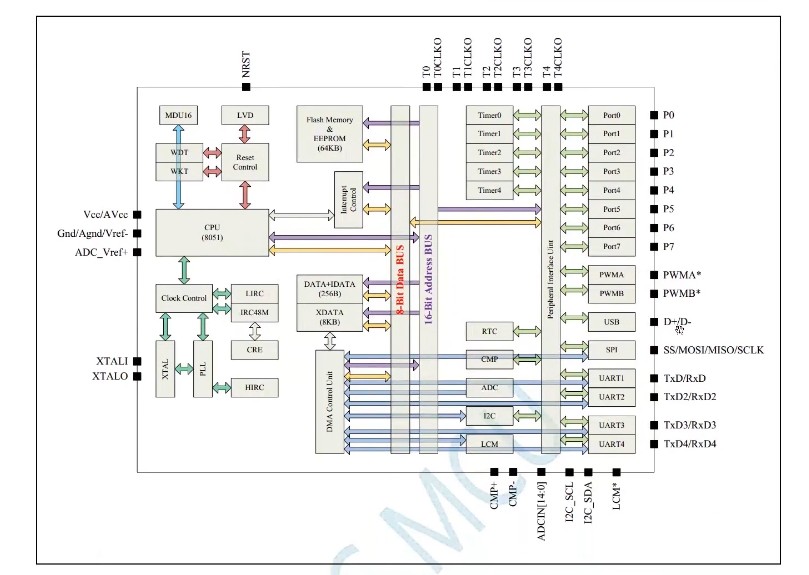
发表于 2025-12-29 22:38:04 | 显示全部楼层
STC8H8K64U结构框图

截图202512292238029648.jpg
回复

使用道具 举报 送花

  • 打卡等级:常住居民III
  • 打卡总天数:153
  • 最近打卡:2026-03-30 19:54:03
已绑定手机

22

主题

2426

回帖

3422

积分

论坛元老

积分
3422
发表于 2025-12-29 22:41:54 | 显示全部楼层
建议学习比赛用28脚:

截图202512292241522230.jpg
回复

使用道具 举报 送花

  • 打卡等级:常住居民III
  • 打卡总天数:153
  • 最近打卡:2026-03-30 19:54:03
已绑定手机

22

主题

2426

回帖

3422

积分

论坛元老

积分
3422
发表于 2025-12-29 22:43:35 | 显示全部楼层
有关抗干扰:

截图202512292243304704.jpg
回复

使用道具 举报 送花

  • 打卡等级:常住居民III
  • 打卡总天数:153
  • 最近打卡:2026-03-30 19:54:03
已绑定手机

22

主题

2426

回帖

3422

积分

论坛元老

积分
3422
发表于 2025-12-29 22:46:08 | 显示全部楼层
现在STC的带硬件USB的MCU支持用硬件USB下载:
因为用的是USB-HID通信协议,不需要安装任何驱动。STC打狗棒、降龙棍、开天斧、屠龙刀核心板以及STC开源示波器、STC实验箱
在D-/P3.0,D+/P3.1 与 PC-USB 端口连接好的状况下,USB-ISP 下载程序步骤:
1、按下板子上的 P3.2/INTO按键,就是P3.2 接地
2、给目标芯片重新上电,不管之前是否已通电。
电子开关是按下停电后再松开就是上电
等待STC-ISP下载软件中自动识别出"STC USB Writer(HID1)",识别出来后,就与P3.2状态无关了,这时可以松开P3.2按键
-传统的机械自锁紧开关是按上来停电,按下去是上电
3、点击下载软件中的“下载/编程”按钮(注意:USB 下载与串口下载的操作顺序不同)
下载成功!
--另外从用户区软复位到系统区也是等待USB下
回复

使用道具 举报 送花

  • 打卡等级:常住居民III
  • 打卡总天数:153
  • 最近打卡:2026-03-30 19:54:03
已绑定手机

22

主题

2426

回帖

3422

积分

论坛元老

积分
3422
发表于 2025-12-29 22:48:07 | 显示全部楼层
40脚的可以直插:

截图202512292248057679.jpg
回复

使用道具 举报 送花

您需要登录后才可以回帖 登录 | 立即注册

本版积分规则

QQ|手机版|深圳国芯人工智能有限公司 ( 粤ICP备2022108929号-2 )

GMT+8, 2026-4-1 00:04 , Processed in 0.110076 second(s), 76 queries .

Powered by Discuz! X3.5

© 2001-2026 Discuz! Team.

快速回复 返回顶部 返回列表